-
-
-
Tổng tiền thanh toán:
-
Photo quang cắm ( opto ) TLP350 Dip-8 mới, chính hãng Toshiba (Japan) 100%.
Thương hiệu: Đang cập nhật
| Tình trạng:
Còn hàng
20.000₫
Photo quang cắm ( opto ) TLP350 Dip-8 mới, chính hãng Toshiba (Japan) 100%.
TLP350 sử dùng nhiều trong các bo mạch điều hòa, bếp từ máy giặt...
TLP350 hàng mới chính hãng đảm bảo chất lượng ae thay thế cực kì...
[Xem tiếp]
Gọi ngay 0367826588 để có được giá tốt nhất!
-
Mô tả
-
Tab tùy chỉnh
-
Đánh giá(APP)
Photo quang cắm ( opto ) TLP350 Dip-8 mới, chính hãng Toshiba (Japan) 100%.
TLP350 sử dùng nhiều trong các bo mạch điều hòa, bếp từ máy giặt...
TLP350 hàng mới chính hãng đảm bảo chất lượng ae thay thế cực kì yên tâm ạ
Linh kiện Điện Lạnh 88 chuyên cung cấp linh kiện ngành lạnh:
- Hàng chính hãng, đảm bảo chất lượng
- Giá cả cạnh tranh thị trường
- Số lượng lớn có sẵn tại kho
- Ship cod nhanh chóng
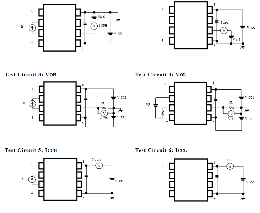
OPTO TLP350 Dip-8 Datasheet
Sơ đồ chân và chức năng khối OPTO TLP350

Sơ đồ một số ứng dụng OPTO TLP350

Shop Linh Kiện Điện Lạnh 88 Rất Mong Được Sự Ủng Hộ Của AE
#tlp350
Nội dung tùy chỉnh viết ở đây
Giao hàng nhanh chóng
Chỉ trong vòng 24h đồng hồSản phẩm chính hãng
Sản phẩm nhập khẩu 100%Đổi trả cực kì dễ dàng
Đổi trả trong 2 ngày đầu tiênMua hàng tiết kiệm
Tiết kiệm hơn từ 10% - 30%Hotline mua hàng:
0367826588