-
-
-
Tổng tiền thanh toán:
-
Photo Quang Cắm (Opto) AQH2223 DIP-7 Bóc Máy, Đảm Bảo Chất Lượng.
Thương hiệu: Đang cập nhật
| Tình trạng:
Còn hàng
9.000₫
Photo Quang Cắm (Opto) AQH2223 DIP-7 Bóc Máy, Đảm Bảo Chất Lượng.
- Sll có sẵn tại kho, Sẵn sàng phục vụ AE thợ
- Hàng chính hãng - chất lượng đảm bảo AE yên tâm thay thế !
- Giá cạnh tranh nhất...
[Xem tiếp]
-
Mô tả
Photo Quang Cắm (Opto) AQH2223 DIP-7 Bóc Máy, Đảm Bảo Chất Lượng.
- Sll có sẵn tại kho, Sẵn sàng phục vụ AE thợ
- Hàng chính hãng - chất lượng đảm bảo AE yên tâm thay thế !
- Giá cạnh tranh nhất thị trường !
- Ship Cod nhanh chóng toàn Quốc
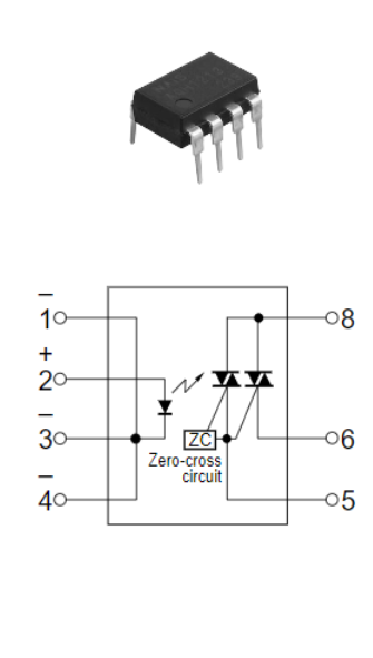
AQH2223 Datasheet
Sơ đồ chanan Photo quang cắm AQH2223

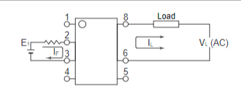
Sơ đồ ứng dụng Photo quang cắm AQH2223

———————————————
Linh Kiện Điện Lạnh 88
Rất mong được sự ủng hộ của ae <3 <3
#aqh2223
Giao hàng nhanh chóng
Miễn phí vận chuyển toàn QuốcSản phẩm chính hãng
Sản phẩm nhập khẩu 100%Hỗ Trợ Kỹ Thuật
Hỗ trợ kỹ thuật tất cả các sản phẩmMua hàng tiết kiệm
Tiết kiệm hơn từ 10% - 30%Hotline hỗ trợ mua hàng:
0367826588 (Zalo)