-
-
-
Tổng tiền thanh toán:
-
Opam – Khuếch Đại Thuật Toán Dán TL3474IDR TL3474i TL3474 dán 14 chân Mới Chính Hãng 100%
Thương hiệu: Đang cập nhật
| Tình trạng:
Còn hàng
23.000₫
Opam - Khuếch Đại Thuật Toán Dán TL3474AI TL3474CDR TL3474 3474 SOP-14 Mới Chính Hãng 100%
- Sll có sẵn tại kho, Sẵn sàng phục vụ AE thợ
- Hàng chính hãng - chất lượng đảm bảo AE yên tâm thay thế !
-...
[Xem tiếp]
Gọi ngay 0367826588 để có được giá tốt nhất!
-
Mô tả
-
Tab tùy chỉnh
-
Đánh giá(APP)
Opam - Khuếch Đại Thuật Toán Dán TL3474AI TL3474CDR TL3474 3474 SOP-14 Mới Chính Hãng 100%
- Sll có sẵn tại kho, Sẵn sàng phục vụ AE thợ
- Hàng chính hãng - chất lượng đảm bảo AE yên tâm thay thế !
- Giá cạnh tranh nhất thị trường !
- Ship Cod nhanh chóng toàn Quốc
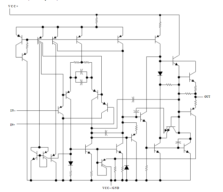
TL3474IDR Datasheet
Sơ đồ chân Opam TL3474IDR

Sơ đồ ứng dụng Opam TL3474IDR

———————————————
Linh Kiện Điện Lạnh 88
Rất mong được sự ủng hộ của ae <3 <3
#TL3474CDR
Nội dung tùy chỉnh viết ở đây
Giao hàng nhanh chóng
Chỉ trong vòng 24h đồng hồSản phẩm chính hãng
Sản phẩm nhập khẩu 100%Đổi trả cực kì dễ dàng
Đổi trả trong 2 ngày đầu tiênMua hàng tiết kiệm
Tiết kiệm hơn từ 10% - 30%Hotline mua hàng:
0367826588