-
-
-
Tổng tiền thanh toán:
-
Opam Dán JRC2903 2903 Thân Bé Mới chính Hãng 100% ĐAIKIN R32.
Thương hiệu: Đang cập nhật
| Tình trạng:
Còn hàng
12.000₫
Opam Dán JRC2903 2903 Thân Bé Mới chính Hãng 100% ĐAIKIN R32.
Linh kiện Điện Lạnh 88 chuyên cung cấp linh kiện ngành lạnh:
- Hàng chính hãng, đảm bảo chất lượng
- Giá cả cạnh tranh thị trường
- Số lượng lớn có sẵn...
[Xem tiếp]
Gọi ngay 0367826588 để có được giá tốt nhất!
-
Mô tả
-
Tab tùy chỉnh
-
Đánh giá(APP)
Opam Dán JRC2903 2903 Thân Bé Mới chính Hãng 100% ĐAIKIN R32.
Linh kiện Điện Lạnh 88 chuyên cung cấp linh kiện ngành lạnh:
- Hàng chính hãng, đảm bảo chất lượng
- Giá cả cạnh tranh thị trường
- Số lượng lớn có sẵn tại kho
- Ship cod nhanh chóng
Shop Linh Kiện Điện Lạnh 88 Rất Mong Được Sự Ủng Hộ Của AE
#2903
#jrc2903
Sơ đồ chân Opam dán JRC2903


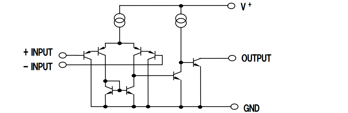
Sơ đồ chức năng khối Opam JRC2903

Nội dung tùy chỉnh viết ở đây
Giao hàng nhanh chóng
Chỉ trong vòng 24h đồng hồSản phẩm chính hãng
Sản phẩm nhập khẩu 100%Đổi trả cực kì dễ dàng
Đổi trả trong 2 ngày đầu tiênMua hàng tiết kiệm
Tiết kiệm hơn từ 10% - 30%Hotline mua hàng:
0367826588