-
-
-
Tổng tiền thanh toán:
-
KIA78R15PI KIA78R15 78R15 Mới Chính Hãng KEC 100%
Thương hiệu: Đang cập nhật
| Tình trạng:
Còn hàng
10.000₫
KIA78R15PI KIA78R15 78R15 Mới Chính Hãng KEC 100%
KIA78R15 1A 15V
Linh kiện Điện Lạnh 88 chuyên cung cấp linh kiện ngành lạnh:
- Hàng chính hãng, đảm bảo chất lượng
- Giá cả cạnh tranh thị trường
- Số lượng lớn có sẵn tại kho
-...
[Xem tiếp]
Gọi ngay 0367826588 để có được giá tốt nhất!
-
Mô tả
-
Tab tùy chỉnh
-
Đánh giá(APP)
KIA78R15PI KIA78R15 78R15 Mới Chính Hãng KEC 100%
KIA78R15 1A 15V
Linh kiện Điện Lạnh 88 chuyên cung cấp linh kiện ngành lạnh:
- Hàng chính hãng, đảm bảo chất lượng
- Giá cả cạnh tranh thị trường
- Số lượng lớn có sẵn tại kho
- Ship cod nhanh chóng
Shop Linh Kiện Điện Lạnh 88 Rất Mong Được Sự Ủng Hộ Của AE
#KIA78R15PI
#Kia78r15
#78r15
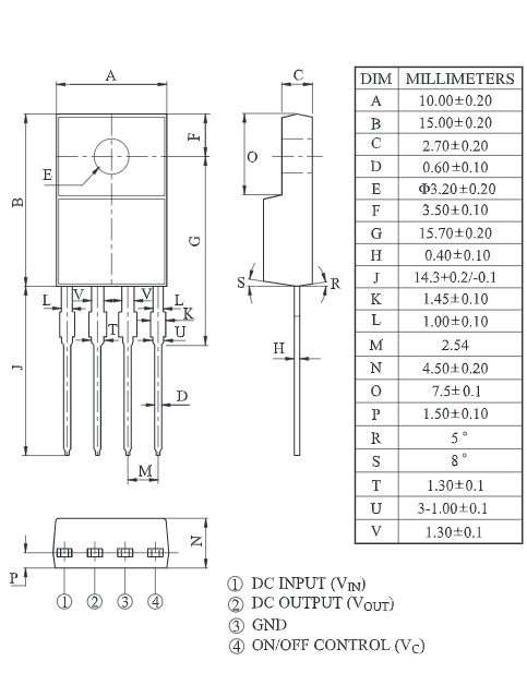
KIA78R15PI Datasheet
Sơ đồ chân và kích thước IC nguồn KIA78R15PI

Sơ đồ chức năng khối IC nguồn KIA78R15PI

Sơ đồ ứng dụng IC nguồn KIA78R15PI

Nội dung tùy chỉnh viết ở đây
Giao hàng nhanh chóng
Chỉ trong vòng 24h đồng hồSản phẩm chính hãng
Sản phẩm nhập khẩu 100%Đổi trả cực kì dễ dàng
Đổi trả trong 2 ngày đầu tiênMua hàng tiết kiệm
Tiết kiệm hơn từ 10% - 30%Hotline mua hàng:
0367826588