-
-
-
Tổng tiền thanh toán:
-
IGBT ( sò ) GT50J301 50A 600V bóc máy đảm bảo chất lượng.
Thương hiệu: Đang cập nhật
| Tình trạng:
Còn hàng
32.000₫
IGBT ( sò ) GT50J301 50A 600V bóc máy đảm bảo chất lượng.
Hàng chất lượng anh em thay thế yên tâm 100%
Linh kiện Điện Lạnh 88 chuyên cung cấp linh kiện ngành lạnh:
- Hàng chính hãng, đảm bảo chất lượng
- Giá...
[Xem tiếp]
Gọi ngay 0367826588 để có được giá tốt nhất!
-
Mô tả
-
Tab tùy chỉnh
-
Đánh giá(APP)
IGBT ( sò ) GT50J301 50A 600V bóc máy đảm bảo chất lượng.
Hàng chất lượng anh em thay thế yên tâm 100%
Linh kiện Điện Lạnh 88 chuyên cung cấp linh kiện ngành lạnh:
- Hàng chính hãng, đảm bảo chất lượng
- Giá cả cạnh tranh thị trường
- Số lượng lớn có sẵn tại kho
- Ship cod nhanh chóng
Shop Linh Kiện Điện Lạnh 88 Rất Mong Được Sự Ủng Hộ Của AE
GT50J301 Datasheet
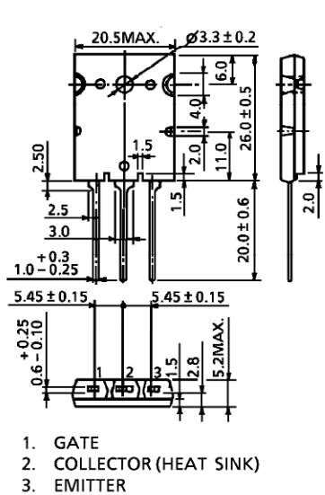
Sơ đồ chanan IGBT GT50J301

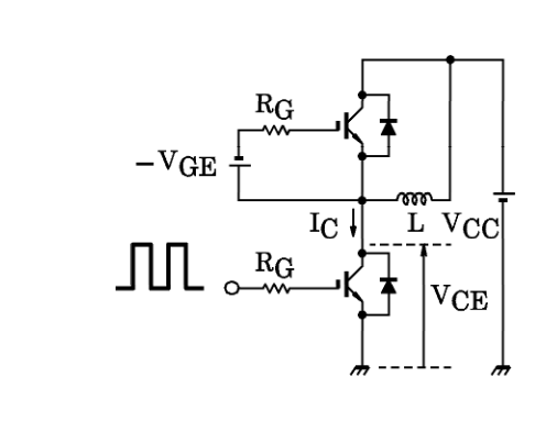
Sơ đồ khối IGBT GT50J301

Sơ đồ ứng dụng IGBT GT50J301

Nội dung tùy chỉnh viết ở đây
Giao hàng nhanh chóng
Chỉ trong vòng 24h đồng hồSản phẩm chính hãng
Sản phẩm nhập khẩu 100%Đổi trả cực kì dễ dàng
Đổi trả trong 2 ngày đầu tiênMua hàng tiết kiệm
Tiết kiệm hơn từ 10% - 30%Hotline mua hàng:
0367826588