-
-
-
Tổng tiền thanh toán:
-
IC ổn áp 7815CV 7815 mới chính Hãng ST 100%
Thương hiệu: Đang cập nhật
| Tình trạng:
Hết hàng
8.000₫
IC ổn áp 7815CV 7815 mới chính Hãng ST 100%
Linh kiện Điện Lạnh 88 chuyên cung cấp linh kiện ngành lạnh:
- Hàng chính hãng, đảm bảo chất lượng
- Giá cả cạnh tranh thị trường
- Số lượng lớn có sẵn tại...
[Xem tiếp]
-
Mô tả
IC ổn áp 7815CV 7815 mới chính Hãng ST 100%
Linh kiện Điện Lạnh 88 chuyên cung cấp linh kiện ngành lạnh:
- Hàng chính hãng, đảm bảo chất lượng
- Giá cả cạnh tranh thị trường
- Số lượng lớn có sẵn tại kho
- Ship cod nhanh chóng
Shop Linh Kiện Điện Lạnh 88 Rất Mong Được Sự Ủng Hộ Của AE
#7815CV
#7815
7815CV Datasheet
Sơ đồ chân IC ổn áp 7815CV

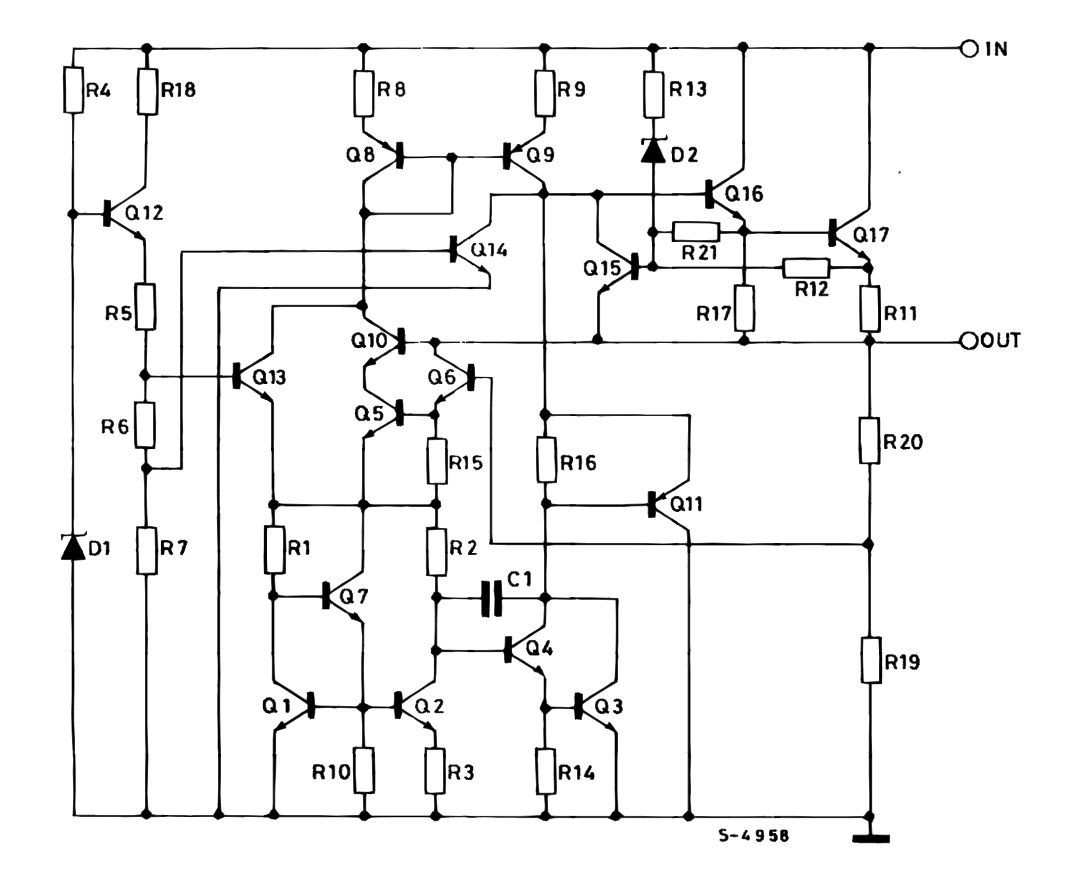
Sơ đồ chức năng khối IC ổn áp 7815CV

Sơ đồ ứng dụng IC ổn áp 7815CV



Giao hàng nhanh chóng
Miễn phí vận chuyển toàn QuốcSản phẩm chính hãng
Sản phẩm nhập khẩu 100%Hỗ Trợ Kỹ Thuật
Hỗ trợ kỹ thuật tất cả các sản phẩmMua hàng tiết kiệm
Tiết kiệm hơn từ 10% - 30%Hotline hỗ trợ mua hàng:
0367826588 (Zalo)