- 
														
 - 
														
- 
																Tổng tiền thanh toán:
 
 - 
																
 
IC Nguồn Top253pn mới chính Hãng !
								Thương hiệu: Đang cập nhật
								   |   Tình trạng: 
									 
									
									
									Còn hàng
									
									
									
								
							
							24.000₫ 
										
									
 
									
								
								
									
									IC Nguồn Top253pn mới chính Hãng 100% !
Hàng chất lượng chính Hãng anh em yên tâm 100%
IC Nguồn Top253pn thường dùng trong bo điều hòa, Máy giặt...
KHi hỏng ic top253pn a e lưu ý kiểm tra phần quanh Biến áp Xung, nguồn thứ...
									
									
								
								[Xem tiếp]
							Gọi ngay 0367826588 để có được giá tốt nhất!
- 
											
Mô tả
 - 
											
Tab tùy chỉnh
 - 
											
Đánh giá(APP)
 
IC Nguồn Top253pn mới chính Hãng 100% !
Hàng chất lượng chính Hãng anh em yên tâm 100%
IC Nguồn Top253pn thường dùng trong bo điều hòa, Máy giặt...
KHi hỏng ic top253pn a e lưu ý kiểm tra phần quanh Biến áp Xung, nguồn thứ cấp hoặc biến áp..
Linh kiện Điện Lạnh 88 chuyên cung cấp linh kiện ngành lạnh:
- Hàng chính hãng, đảm bảo chất lượng
- Giá cả cạnh tranh thị trường
- Số lượng lớn có sẵn tại kho
- Ship cod nhanh chóng 
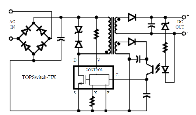
TOP253PN Datasheet
Sơ đồ chân IC nguồn TOP253PN

 
Sơ đồ ứng dụng IC nguồn TOP253PN trên mạch

 
Công suất IC nguồn TOP253PN có thể thay thế cho top253pn, hoặc thay cho top253 chân dán

Shop Linh Kiện Điện Lạnh 88 Rất Mong Được Sự Ủng Hộ Của AE
#top253pn
#icnguồn
#icnguồntop253pn
											Nội dung tùy chỉnh viết ở đây	
										
									Giao hàng nhanh chóng
Chỉ trong vòng 24h đồng hồSản phẩm chính hãng
Sản phẩm nhập khẩu 100%Đổi trả cực kì dễ dàng
Đổi trả trong 2 ngày đầu tiênMua hàng tiết kiệm
Tiết kiệm hơn từ 10% - 30%Hotline mua hàng:
0367826588