-
-
-
Tổng tiền thanh toán:
-
IC Nguồn TOP246YN mới chính Hãng 100% ! ( có thể thay thế Top245yn top243yn top242yn.. ).
Thương hiệu: Đang cập nhật
| Tình trạng:
Hết hàng
IC Nguồn TOP246YN mới chính Hãng 100% ! ( có thể thay thế Top243yn ).
Linh kiện Điện Lạnh 88 chuyên cung cấp linh kiện ngành lạnh:
- Hàng chính hãng, đảm bảo chất lượng- Giá cả cạnh tranh thị trường
- Số lượng...
[Xem tiếp]
-
Mô tả
IC Nguồn TOP246YN mới chính Hãng 100% ! ( có thể thay thế Top243yn ).
Linh kiện Điện Lạnh 88 chuyên cung cấp linh kiện ngành lạnh:
- Hàng chính hãng, đảm bảo chất lượng- Giá cả cạnh tranh thị trường
- Số lượng lớn có sẵn tại kho
- Ship cod nhanh chóng Shop Linh Kiện Điện Lạnh 88 Rất Mong Được Sự Ủng Hộ Của AE
Top246YN Datasheet
Công suất IC nguồn TOP246YN

Sơ đồ chân IC nguồn TOP246YN
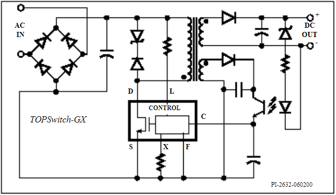
Sơ đồ ứng dụng IC nguồn TOP246YN

#top246yn
#top246
#top243yn
Giao hàng nhanh chóng
Miễn phí vận chuyển toàn QuốcSản phẩm chính hãng
Sản phẩm nhập khẩu 100%Hỗ Trợ Kỹ Thuật
Hỗ trợ kỹ thuật tất cả các sản phẩmMua hàng tiết kiệm
Tiết kiệm hơn từ 10% - 30%Hotline hỗ trợ mua hàng:
0367826588 (Zalo)