-
-
-
Tổng tiền thanh toán:
-
IC nguồn Strv152 mới Chính hãng !
Thương hiệu: Đang cập nhật
| Tình trạng:
Còn hàng
32.000₫
IC nguồn Strv152 mới Chính hãng !
- Sll có sẵn tại kho, Sẵn sàng phục vụ AE thợ
- Hàng chính hãng - chất lượng đảm bảo
- Giá cạnh tranh nhất thị trường !
- Ship Cod nhanh chóng toàn Quốc
STRV152 Datasheet
Sơ...
[Xem tiếp]
Gọi ngay 0367826588 để có được giá tốt nhất!
-
Mô tả
-
Tab tùy chỉnh
-
Đánh giá(APP)
IC nguồn Strv152 mới Chính hãng !
- Sll có sẵn tại kho, Sẵn sàng phục vụ AE thợ
- Hàng chính hãng - chất lượng đảm bảo
- Giá cạnh tranh nhất thị trường !
- Ship Cod nhanh chóng toàn Quốc
STRV152 Datasheet
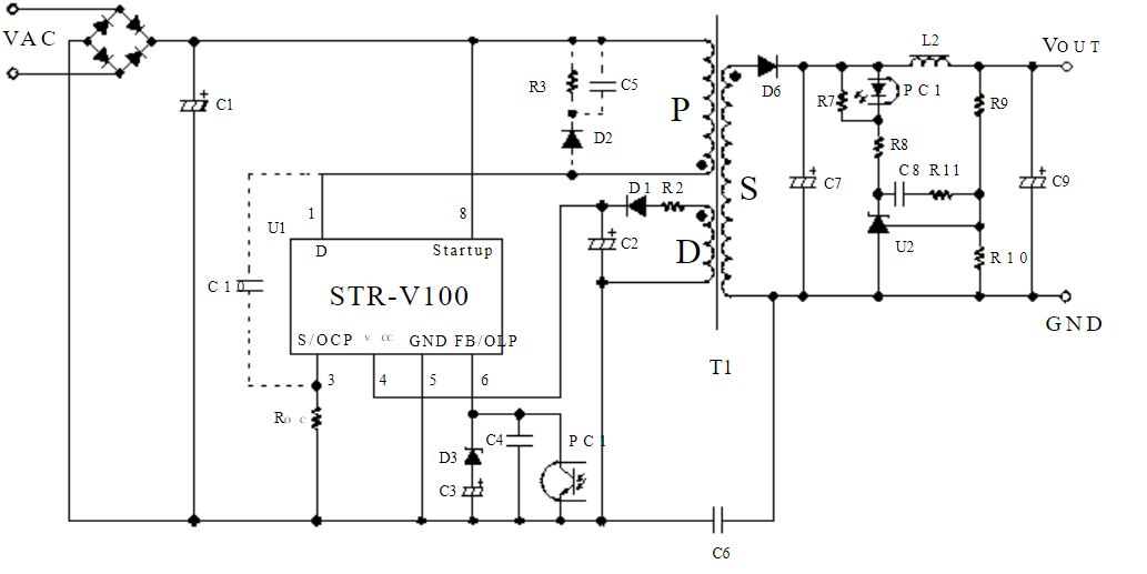
Sơ đồ chân IC nguồn STRV152

Sơ đồ ứng dụng IC nguồn STRV152

———————————————
Linh Kiện Điện Lạnh 88
Rất mong được sự ủng hộ của ae <3 <3
#Strv152
Nội dung tùy chỉnh viết ở đây
Giao hàng nhanh chóng
Chỉ trong vòng 24h đồng hồSản phẩm chính hãng
Sản phẩm nhập khẩu 100%Đổi trả cực kì dễ dàng
Đổi trả trong 2 ngày đầu tiênMua hàng tiết kiệm
Tiết kiệm hơn từ 10% - 30%Hotline mua hàng:
0367826588