- 
														
 - 
														
- 
																Tổng tiền thanh toán:
 
 - 
																
 
IC Nguồn Str-W6053S W6053N W6053S Mới, Chính Hãng 100%.
								Thương hiệu: Đang cập nhật
								   |   Tình trạng: 
									 
									
										
										Còn hàng
										
									
									
								
							
							35.000₫ 
										
									
 
									
								
								
									
									IC Nguồn Str-W6053S W6053N W6053S Mới, Chính Hãng 100%.
Linh kiện Điện Lạnh 88 chuyên cung cấp linh kiện ngành lạnh:
- Hàng chính hãng, đảm bảo chất lượng
- Giá cả cạnh tranh thị trường
- Số lượng lớn có sẵn tại kho
- Ship...
									
									
								
								[Xem tiếp]
							Gọi ngay 0367826588 để có được giá tốt nhất!
- 
											
Mô tả
 - 
											
Tab tùy chỉnh
 - 
											
Đánh giá(APP)
 
IC Nguồn Str-W6053S W6053N W6053S Mới, Chính Hãng 100%.
Linh kiện Điện Lạnh 88 chuyên cung cấp linh kiện ngành lạnh:
- Hàng chính hãng, đảm bảo chất lượng
- Giá cả cạnh tranh thị trường
- Số lượng lớn có sẵn tại kho
- Ship cod nhanh chóng 
Shop Linh Kiện Điện Lạnh 88 Rất Mong Được Sự Ủng Hộ Của AE
#IC
#ICnguon
#ICStr-W6053N
#W6053N
#StrW6053S
Str-W6053S Datasheet
Sơ đồ chân IC nguồn Str-W6053S

Sơ đồ chức năng khối IC nguồn Str-W6053S

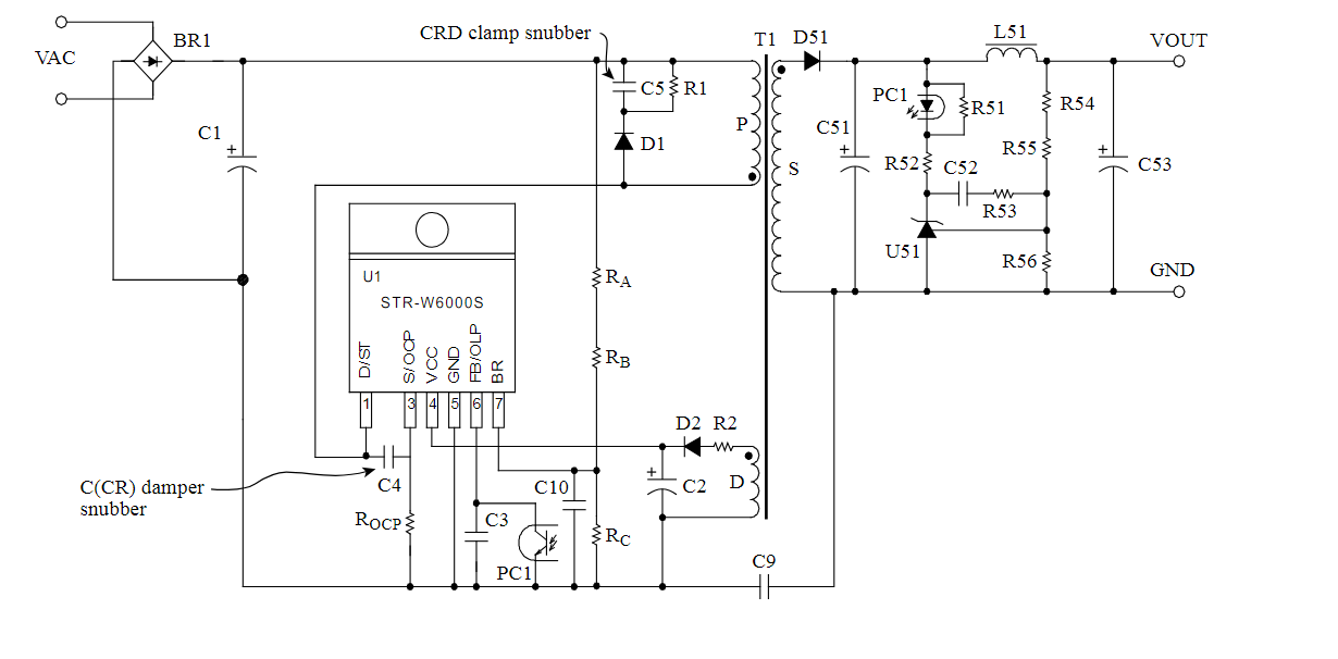
Sơ đồ ứng dụng IC nguồn Str-W6053S

											Nội dung tùy chỉnh viết ở đây	
										
									Giao hàng nhanh chóng
Chỉ trong vòng 24h đồng hồSản phẩm chính hãng
Sản phẩm nhập khẩu 100%Đổi trả cực kì dễ dàng
Đổi trả trong 2 ngày đầu tiênMua hàng tiết kiệm
Tiết kiệm hơn từ 10% - 30%Hotline mua hàng:
0367826588