-
-
-
Tổng tiền thanh toán:
-
IC Nguồn OB2226SP OB2226AP OB2226 DIP-7 Mới Chính Hãng ! ( có thể thay thế cho OB2223SP )
Thương hiệu: Đang cập nhật
| Tình trạng:
Còn hàng
17.000₫
IC Nguồn OB2226SP OB2226AP OB2226 DIP-7 Mới Chính Hãng ! ( có thể thay thế cho OB2223SP )
Linh kiện Điện Lạnh 88 chuyên cung cấp linh kiện ngành lạnh:
- Hàng chính hãng, đảm bảo chất lượng
- Giá cả cạnh tranh thị...
[Xem tiếp]
Gọi ngay 0367826588 để có được giá tốt nhất!
-
Mô tả
-
Tab tùy chỉnh
-
Đánh giá(APP)
IC Nguồn OB2226SP OB2226AP OB2226 DIP-7 Mới Chính Hãng ! ( có thể thay thế cho OB2223SP )
Linh kiện Điện Lạnh 88 chuyên cung cấp linh kiện ngành lạnh:
- Hàng chính hãng, đảm bảo chất lượng
- Giá cả cạnh tranh thị trường
- Số lượng lớn có sẵn tại kho
- Ship cod nhanh chóng
Shop Linh Kiện Điện Lạnh 88 Rất Mong Được Sự Ủng Hộ Của AE
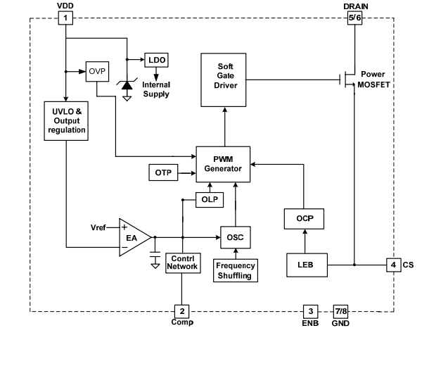
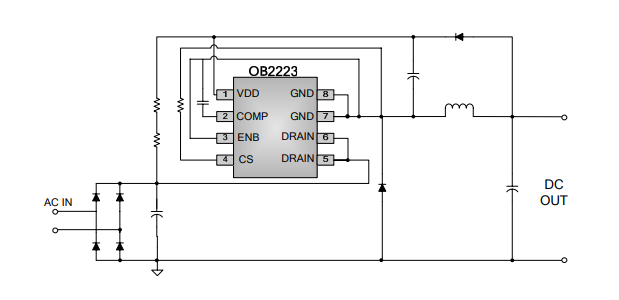
OB2226SP Datasheet
Sơ đồ chân IC nguồn OB2226SP


Sơ đồ chức năng khối IC nguồn OB2226SP

Sơ đồ ứng dụng IC nguồn OB2226SP

Nội dung tùy chỉnh viết ở đây
Giao hàng nhanh chóng
Chỉ trong vòng 24h đồng hồSản phẩm chính hãng
Sản phẩm nhập khẩu 100%Đổi trả cực kì dễ dàng
Đổi trả trong 2 ngày đầu tiênMua hàng tiết kiệm
Tiết kiệm hơn từ 10% - 30%Hotline mua hàng:
0367826588