-
-
-
Tổng tiền thanh toán:
-
Ic Nguồn Mr4720 Bóc Máy, Đảm Bảo Chất Lượng.
Thương hiệu: Đang cập nhật
| Tình trạng:
Còn hàng
17.000₫
Ic Nguồn M4720 Bóc Máy, Đảm Bảo Chất Lượng.
Linh kiện Điện Lạnh 88 chuyên cung cấp linh kiện ngành lạnh:
- Hàng chính hãng, đảm bảo chất lượng
- Giá cả cạnh tranh thị trường
- Số lượng lớn có sẵn tại...
[Xem tiếp]
Gọi ngay 0367826588 để có được giá tốt nhất!
-
Mô tả
-
Tab tùy chỉnh
-
Đánh giá(APP)
Ic Nguồn M4720 Bóc Máy, Đảm Bảo Chất Lượng.
Linh kiện Điện Lạnh 88 chuyên cung cấp linh kiện ngành lạnh:
- Hàng chính hãng, đảm bảo chất lượng
- Giá cả cạnh tranh thị trường
- Số lượng lớn có sẵn tại kho
- Ship cod nhanh chóng Shop Linh Kiện Điện Lạnh 88 Rất Mong Được Sự Ủng Hộ Của AE
;#Icnguon
#Mr4720
Mr4720 Datasheet
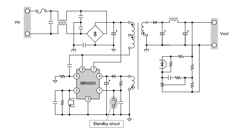
Sơ đồ chân và chức năng khối IC nguồn Mr4720


Sơ đồ ứng dụng IC nguồn Mr4720

Nội dung tùy chỉnh viết ở đây
Giao hàng nhanh chóng
Chỉ trong vòng 24h đồng hồSản phẩm chính hãng
Sản phẩm nhập khẩu 100%Đổi trả cực kì dễ dàng
Đổi trả trong 2 ngày đầu tiênMua hàng tiết kiệm
Tiết kiệm hơn từ 10% - 30%Hotline mua hàng:
0367826588