-
-
-
Tổng tiền thanh toán:
-
IC Nguồn KIA7805API KIA7805A 7805 Lưng Nhựa Mới Chính Hãng.
Thương hiệu: Đang cập nhật
| Tình trạng:
Còn hàng
7.500₫
IC Nguồn KIA7805API KIA7805A 7805 Lưng Nhựa Mới Chính Hãng.
Hàng chất lượng anh em thay thế yên tâm 100%
Linh kiện Điện Lạnh 88 chuyên cung cấp linh kiện ngành lạnh:
- Hàng chính hãng, đảm bảo chất lượng
- Giá cả cạnh tranh...
[Xem tiếp]
-
Mô tả
IC Nguồn KIA7805API KIA7805A 7805 Lưng Nhựa Mới Chính Hãng.
Hàng chất lượng anh em thay thế yên tâm 100%
Linh kiện Điện Lạnh 88 chuyên cung cấp linh kiện ngành lạnh:
- Hàng chính hãng, đảm bảo chất lượng
- Giá cả cạnh tranh thị trường
- Số lượng lớn có sẵn tại kho
- Ship cod nhanh chóng
Shop Linh Kiện Điện Lạnh 88 Rất Mong Được Sự Ủng Hộ Của AE
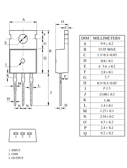
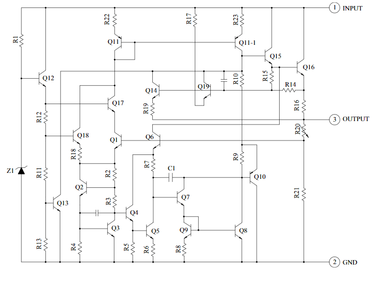
KIA7805API Datasheet
Sơ đồ chân và kích thước IC nguồn KIA7805API

Sơ đồ chức năng khối IC nguồn KIA7805API

Sơ đồ ứng dụng IC nguồn KIA7805API 
Giao hàng nhanh chóng
Miễn phí vận chuyển toàn QuốcSản phẩm chính hãng
Sản phẩm nhập khẩu 100%Hỗ Trợ Kỹ Thuật
Hỗ trợ kỹ thuật tất cả các sản phẩmMua hàng tiết kiệm
Tiết kiệm hơn từ 10% - 30%Hotline hỗ trợ mua hàng:
0367826588 (Zalo)