-
-
-
Tổng tiền thanh toán:
-
IC MC33274AD dán 14 chân mới 100%.
Thương hiệu: Đang cập nhật
| Tình trạng:
Còn hàng
15.000₫
IC MC33274AD dán 14 chân mới 100%.
Linh kiện Điện Lạnh 88 chuyên cung cấp linh kiện ngành lạnh:
- Hàng chính hãng, đảm bảo chất lượng
- Giá cả cạnh tranh thị trường
- Số lượng lớn có sẵn tại kho
- Ship cod nhanh...
[Xem tiếp]
-
Mô tả
IC MC33274AD dán 14 chân mới 100%.
Linh kiện Điện Lạnh 88 chuyên cung cấp linh kiện ngành lạnh:
- Hàng chính hãng, đảm bảo chất lượng
- Giá cả cạnh tranh thị trường
- Số lượng lớn có sẵn tại kho
- Ship cod nhanh chóng
Shop Linh Kiện Điện Lạnh 88 Rất Mong Được Sự Ủng Hộ Của AE
#MC33274AD
#MC33274ADG
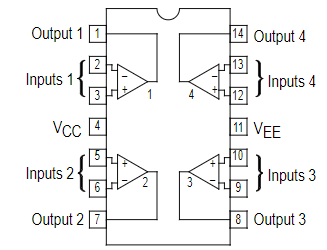
Sơ đồ chân IC MC33274AD

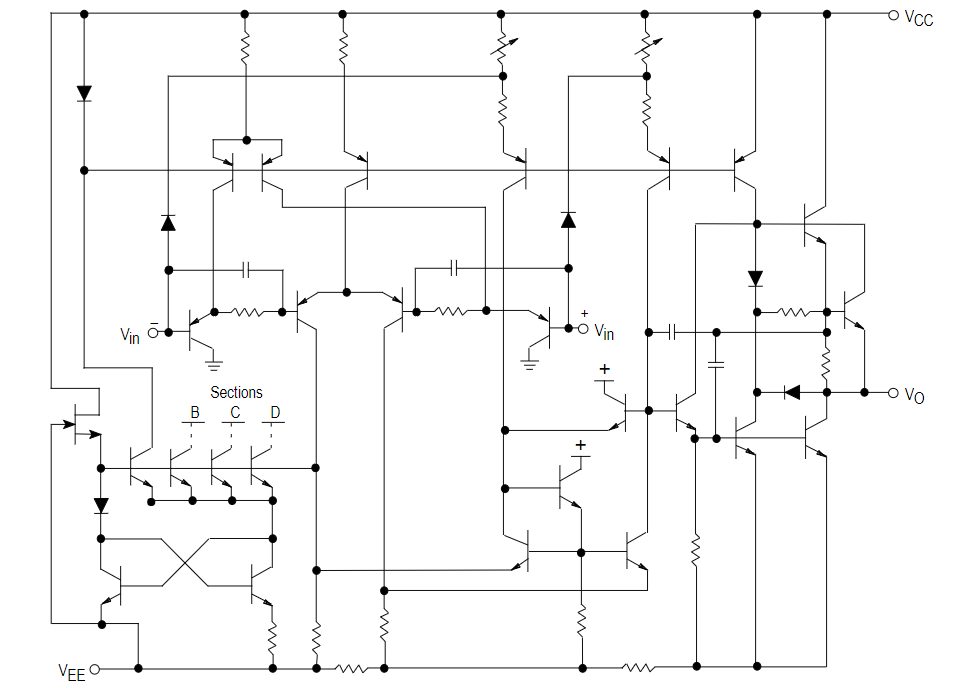
Sơ đồ chức năng khối IC MC33274AD

Giao hàng nhanh chóng
Miễn phí vận chuyển toàn QuốcSản phẩm chính hãng
Sản phẩm nhập khẩu 100%Hỗ Trợ Kỹ Thuật
Hỗ trợ kỹ thuật tất cả các sản phẩmMua hàng tiết kiệm
Tiết kiệm hơn từ 10% - 30%Hotline hỗ trợ mua hàng:
0367826588 (Zalo)