-
-
-
Tổng tiền thanh toán:
-
IC Hiển Thị LG IK2102DWT IK2102DW 2102DW SOP-28 mới, chính hãng
Thương hiệu: Đang cập nhật
| Tình trạng:
Còn hàng
25.000₫
IC Hiển Thị LG IK2102DWT IK2102DW 2102DW SOP-28 mới, chính hãng
- Sll có sẵn tại kho, Sẵn sàng phục vụ AE thợ
- Hàng chính hãng - chất lượng đảm bảo AE yên tâm thay thế !
- Giá cạnh tranh nhất thị...
[Xem tiếp]
Gọi ngay 0367826588 để có được giá tốt nhất!
-
Mô tả
-
Tab tùy chỉnh
-
Đánh giá(APP)
IC Hiển Thị LG IK2102DWT IK2102DW 2102DW SOP-28 mới, chính hãng
- Sll có sẵn tại kho, Sẵn sàng phục vụ AE thợ
- Hàng chính hãng - chất lượng đảm bảo AE yên tâm thay thế !
- Giá cạnh tranh nhất thị trường !
- Ship Cod nhanh chóng toàn Quốc
IK2102DWT Datashet
Sơ đồ chân IC hiển thị LG IK2102DWT

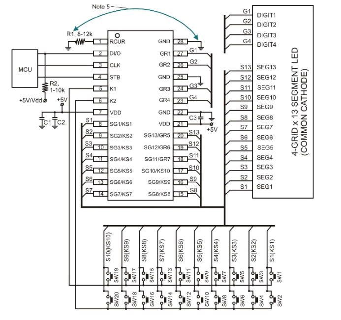
Sơ đồ ứng dụng IC hiển thị LG IK2102DWT

———————————————
Linh Kiện Điện Lạnh 88
Rất mong được sự ủng hộ của ae <3 <3
#IK2102DWT
Nội dung tùy chỉnh viết ở đây
Giao hàng nhanh chóng
Chỉ trong vòng 24h đồng hồSản phẩm chính hãng
Sản phẩm nhập khẩu 100%Đổi trả cực kì dễ dàng
Đổi trả trong 2 ngày đầu tiênMua hàng tiết kiệm
Tiết kiệm hơn từ 10% - 30%Hotline mua hàng:
0367826588