- 
														
 - 
														
- 
																Tổng tiền thanh toán:
 
 - 
																
 
IC FAN73893 mới chính Hãng !
								Thương hiệu: Đang cập nhật
								   |   Tình trạng: 
									 
									
									
									Còn hàng
									
									
									
								
							
							70.000₫ 
										
									
 
									
								
								
									
									IC FAN73893 mới chính Hãng !
Linh kiện Điện Lạnh 88 chuyên cung cấp linh kiện ngành lạnh:
- Hàng chính hãng, đảm bảo chất lượng
- Giá cả cạnh tranh thị trường
- Số lượng lớn có sẵn tại kho
- Ship cod nhanh chóng...
									
									
								
								[Xem tiếp]
							Gọi ngay 0367826588 để có được giá tốt nhất!
- 
											
Mô tả
 - 
											
Tab tùy chỉnh
 - 
											
Đánh giá(APP)
 
IC FAN73893 mới chính Hãng !
Linh kiện Điện Lạnh 88 chuyên cung cấp linh kiện ngành lạnh:
- Hàng chính hãng, đảm bảo chất lượng
- Giá cả cạnh tranh thị trường
- Số lượng lớn có sẵn tại kho
- Ship cod nhanh chóng
Shop Linh Kiện Điện Lạnh 88 Rất Mong Được Sự Ủng Hộ Của AE
#fan73893
FAN73893 Datasheet
Sơ đồ chân IC FAN73893


Sơ đồ chức năng khối IC FAN73893

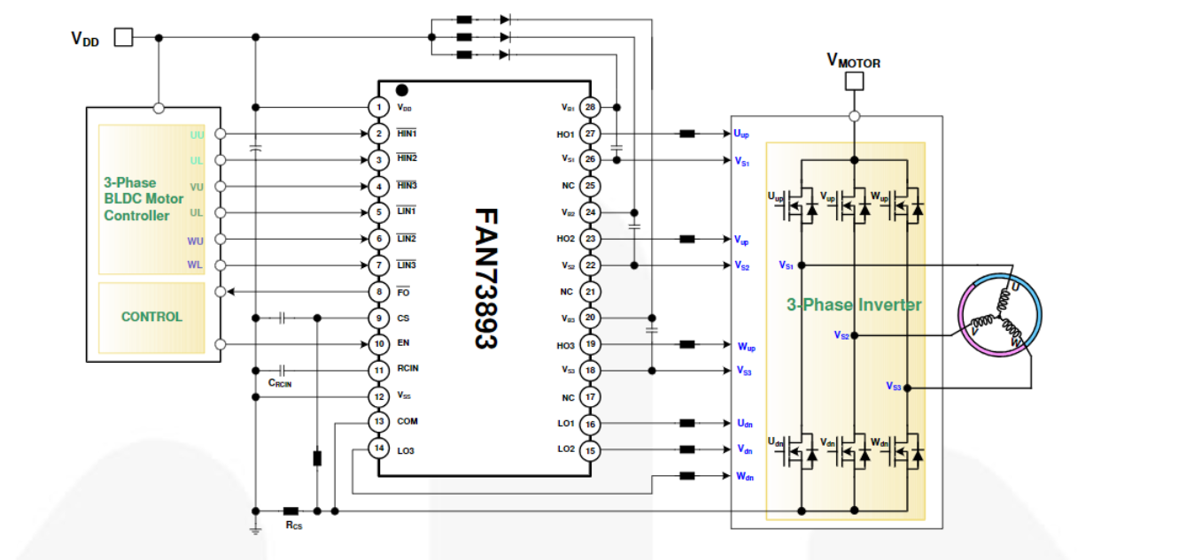
Sơ đồ ứng dụng IC FAN73893

											Nội dung tùy chỉnh viết ở đây	
										
									Giao hàng nhanh chóng
Chỉ trong vòng 24h đồng hồSản phẩm chính hãng
Sản phẩm nhập khẩu 100%Đổi trả cực kì dễ dàng
Đổi trả trong 2 ngày đầu tiênMua hàng tiết kiệm
Tiết kiệm hơn từ 10% - 30%Hotline mua hàng:
0367826588