-
-
-
Tổng tiền thanh toán:
-
IC Dao Động FAN7383MX FAN7383 SOP14 Mới Chính Hãng
Thương hiệu: Đang cập nhật
| Tình trạng:
Còn hàng
40.000₫
IC Dao Động FAN7383MX FAN7383 SOP14 Mới Chính Hãng
Linh kiện Điện Lạnh 88 chuyên cung cấp linh kiện ngành lạnh:
- Hàng chính hãng, đảm bảo chất lượng
- Giá cả cạnh tranh thị trường
- Số lượng lớn có sẵn tại kho
- Ship...
[Xem tiếp]
Gọi ngay 0367826588 để có được giá tốt nhất!
-
Mô tả
-
Tab tùy chỉnh
-
Đánh giá(APP)
IC Dao Động FAN7383MX FAN7383 SOP14 Mới Chính Hãng
Linh kiện Điện Lạnh 88 chuyên cung cấp linh kiện ngành lạnh:
- Hàng chính hãng, đảm bảo chất lượng
- Giá cả cạnh tranh thị trường
- Số lượng lớn có sẵn tại kho
- Ship cod nhanh chóng
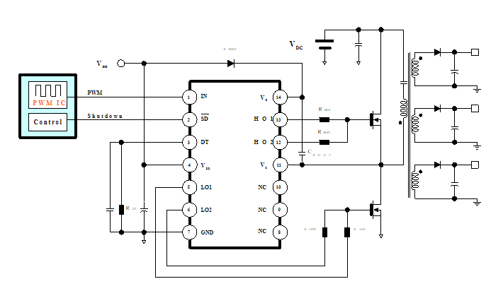
FAN7383MX Datasheet
Sơ đồ chân IC dao động FAN7383MX

Sơ đồ ứng dụng IC dao động FAN7383MX

Shop Linh Kiện Điện Lạnh 88 Rất Mong Được Sự Ủng Hộ Của AE
#IC
#ICdaodong
#Fan7383MX
#Fan7383
#7383
Nội dung tùy chỉnh viết ở đây
Giao hàng nhanh chóng
Chỉ trong vòng 24h đồng hồSản phẩm chính hãng
Sản phẩm nhập khẩu 100%Đổi trả cực kì dễ dàng
Đổi trả trong 2 ngày đầu tiênMua hàng tiết kiệm
Tiết kiệm hơn từ 10% - 30%Hotline mua hàng:
0367826588