-
-
-
Tổng tiền thanh toán:
-
IC Công Suất STK621-713 Mới !
Thương hiệu: Đang cập nhật
| Tình trạng:
Còn hàng
220.000₫
IC Công Suất STK621-713 Mới !
- Sll có sẵn tại kho, Sẵn sàng phục vụ AE thợ
- Hàng chính hãng - chất lượng đảm bảo AE yên tâm thay thế !
- Giá cạnh tranh nhất thị trường !
- Ship Cod...
[Xem tiếp]
Gọi ngay 0367826588 để có được giá tốt nhất!
-
Mô tả
-
Tab tùy chỉnh
-
Đánh giá(APP)
IC Công Suất STK621-713 Mới !
- Sll có sẵn tại kho, Sẵn sàng phục vụ AE thợ
- Hàng chính hãng - chất lượng đảm bảo AE yên tâm thay thế !
- Giá cạnh tranh nhất thị trường !
- Ship Cod nhanh chóng toàn Quốc
STK621-713 Datasheet
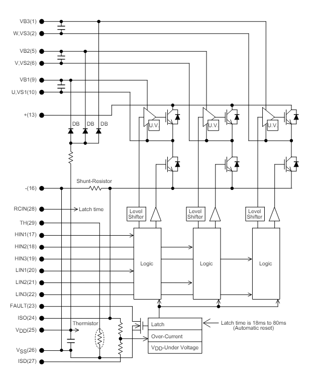
Sơ đồ khối chức năng IC công suất STK621-713

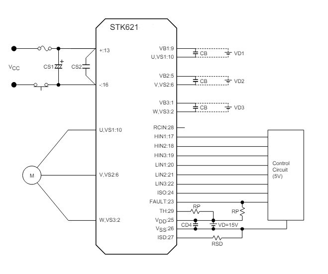
Sơ đồ ứng dụng IC công suất STK621-713

———————————————
Linh Kiện Điện Lạnh 88
Rất mong được sự ủng hộ của ae <3 <3
#TK621-713
Nội dung tùy chỉnh viết ở đây
Giao hàng nhanh chóng
Chỉ trong vòng 24h đồng hồSản phẩm chính hãng
Sản phẩm nhập khẩu 100%Đổi trả cực kì dễ dàng
Đổi trả trong 2 ngày đầu tiênMua hàng tiết kiệm
Tiết kiệm hơn từ 10% - 30%Hotline mua hàng:
0367826588