-
-
-
Tổng tiền thanh toán:
-
IC Công Suất SLA6870MZ mới chính Hãng 100%. ( Có thể thay thế SLA6868MZ )
Thương hiệu: Đang cập nhật
| Tình trạng:
Còn hàng
160.000₫
IC Công Suất SLA6870MZ mới chính Hãng
- Sll có sẵn tại kho, Sẵn sàng phục vụ AE thợ
- Hàng chính hãng - chất lượng đảm bảo AE yên tâm thay thế !
- Giá cạnh tranh nhất thị trường !
- Ship...
[Xem tiếp]
Gọi ngay 0367826588 để có được giá tốt nhất!
-
Mô tả
-
Tab tùy chỉnh
-
Đánh giá(APP)
IC Công Suất SLA6870MZ mới chính Hãng
- Sll có sẵn tại kho, Sẵn sàng phục vụ AE thợ
- Hàng chính hãng - chất lượng đảm bảo AE yên tâm thay thế !
- Giá cạnh tranh nhất thị trường !
- Ship Cod nhanh chóng toàn Quốc
SLA6870MZ Datasheet
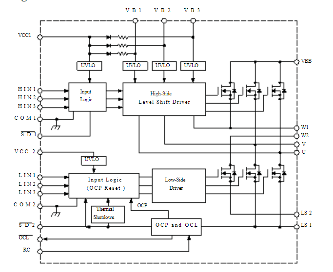
Sơ đồ chức năng khối IC công suất SLA6870MZ

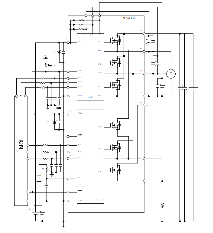
Sơ đồ ứng dụng IC công suất SLA6870MZ

———————————————
Linh Kiện Điện Lạnh 88
Rất mong được sự ủng hộ của ae <3 <3
#Sla6870mz
Nội dung tùy chỉnh viết ở đây
Giao hàng nhanh chóng
Chỉ trong vòng 24h đồng hồSản phẩm chính hãng
Sản phẩm nhập khẩu 100%Đổi trả cực kì dễ dàng
Đổi trả trong 2 ngày đầu tiênMua hàng tiết kiệm
Tiết kiệm hơn từ 10% - 30%Hotline mua hàng:
0367826588