-
-
-
Tổng tiền thanh toán:
-
IC Công Suất SLA6868MZ Mới, Chính Hãng 100%.
Thương hiệu: Đang cập nhật
| Tình trạng:
Hết hàng
195.000₫
IC Công Suất SLA6868MZ Mới, Chính Hãng 100%.
Linh kiện Điện Lạnh 88 chuyên cung cấp linh kiện ngành lạnh:
- Hàng chính hãng, đảm bảo chất lượng- Giá cả cạnh tranh thị trường
- Số lượng lớn có sẵn tại kho
- Ship...
[Xem tiếp]
-
Mô tả
IC Công Suất SLA6868MZ Mới, Chính Hãng 100%.
Linh kiện Điện Lạnh 88 chuyên cung cấp linh kiện ngành lạnh:
- Hàng chính hãng, đảm bảo chất lượng- Giá cả cạnh tranh thị trường
- Số lượng lớn có sẵn tại kho
- Ship cod nhanh chóng Shop Linh Kiện Điện Lạnh 88 Rất Mong Được Sự Ủng Hộ Của AE
#ICCongsuat#SLA6868MZ#ICCongsuatdieuhoa#ICCongsuattulanh#ICCongsuatmaygiat
SLA6868MZ Datasheet
Sơ đồ chân IC công suất SLA6868MZ
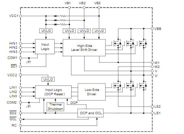
Sơ đồ chức năng khối IC công suất SLA6868MZ

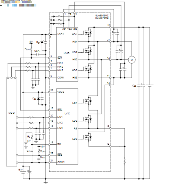
Sơ đồ ứng dụng IC công suất SLA6868MZ

Giao hàng nhanh chóng
Miễn phí vận chuyển toàn QuốcSản phẩm chính hãng
Sản phẩm nhập khẩu 100%Hỗ Trợ Kỹ Thuật
Hỗ trợ kỹ thuật tất cả các sản phẩmMua hàng tiết kiệm
Tiết kiệm hơn từ 10% - 30%Hotline hỗ trợ mua hàng:
0367826588 (Zalo)