-
-
-
Tổng tiền thanh toán:
-
Ic Công Suất Sim6822m Nguyên Vỉ Tháo Máy, Đảm Bảo Chất Lượng.
Thương hiệu: Đang cập nhật
| Tình trạng:
Hết hàng
65.000₫
Ic Công Suất Sim6822m Nguyên Vỉ Tháo Máy, Đảm Bảo Chất Lượng.
Linh kiện Điện Lạnh 88 chuyên cung cấp linh kiện ngành lạnh:
- Hàng chính hãng, đảm bảo chất lượng
- Giá cả cạnh tranh thị trường
- Số lượng lớn...
[Xem tiếp]
Gọi ngay 0367826588 để có được giá tốt nhất!
-
Mô tả
-
Tab tùy chỉnh
-
Đánh giá(APP)
Ic Công Suất Sim6822m Nguyên Vỉ Tháo Máy, Đảm Bảo Chất Lượng.
Linh kiện Điện Lạnh 88 chuyên cung cấp linh kiện ngành lạnh:
- Hàng chính hãng, đảm bảo chất lượng
- Giá cả cạnh tranh thị trường
- Số lượng lớn có sẵn tại kho
- Ship cod nhanh chóng Shop Linh Kiện Điện Lạnh 88 Rất Mong Được Sự Ủng Hộ Của AE
;#Iccongsuat
#Sim6822m
Sim6822m Datasheet
Sơ đồ chân IC công suất Sim6822m

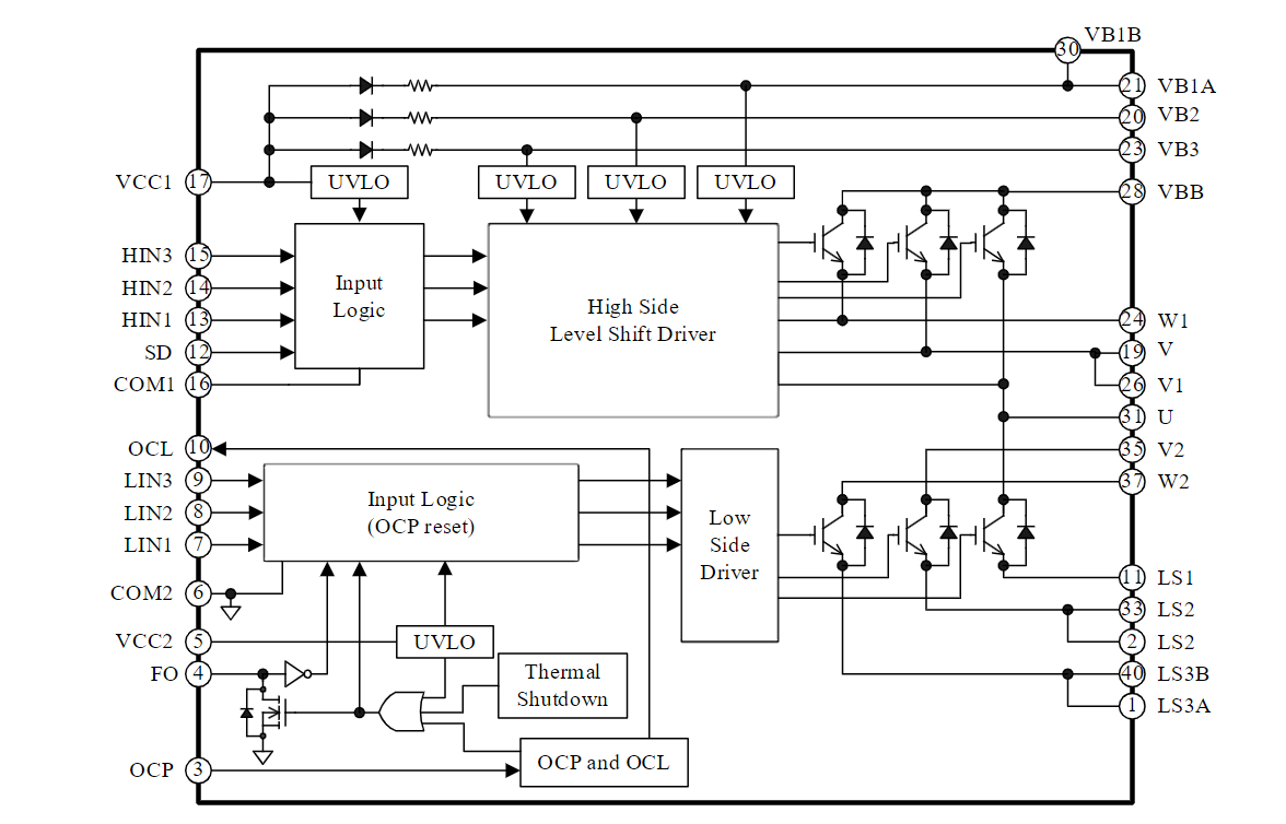
Sơ đồ chức năng khối IC công suất Sim6822m

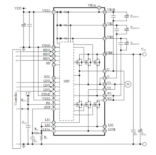
Sơ đồ ứng dụng IC công suất Sim6822m

Nội dung tùy chỉnh viết ở đây
Giao hàng nhanh chóng
Chỉ trong vòng 24h đồng hồSản phẩm chính hãng
Sản phẩm nhập khẩu 100%Đổi trả cực kì dễ dàng
Đổi trả trong 2 ngày đầu tiênMua hàng tiết kiệm
Tiết kiệm hơn từ 10% - 30%Hotline mua hàng:
0367826588