-
-
-
Tổng tiền thanh toán:
-
IC Công Suất SCM1246MF Mới chính hãng 100%.
Thương hiệu: Đang cập nhật
| Tình trạng:
Hết hàng
320.000₫
IC Công Suất SCM1246MF Mới chính hãng 100%.
Thường dùng trong bo máy gaiwtj LG SamSung và 1 số mạch khác
Scm1246MF có thể thay thế scm1245mf Scm1243MF Scm1242mf.
Hàng chất lượng anh em yên tâm 100%
Linh kiện Điện Lạnh 88 chuyên cung cấp linh...
[Xem tiếp]
-
Mô tả
IC Công Suất SCM1246MF Mới chính hãng 100%.
Thường dùng trong bo máy gaiwtj LG SamSung và 1 số mạch khác
Scm1246MF có thể thay thế scm1245mf Scm1243MF Scm1242mf.
Hàng chất lượng anh em yên tâm 100%
Linh kiện Điện Lạnh 88 chuyên cung cấp linh kiện ngành lạnh:
- Hàng chính hãng, đảm bảo chất lượng
- Giá cả cạnh tranh thị trường
- Số lượng lớn có sẵn tại kho
- Ship cod nhanh chóng
Shop Linh Kiện Điện Lạnh 88 Rất Mong Được Sự Ủng Hộ Của AE.
#SCM1246MF
SCM1246MF Datasheet
Sơ đồ chân IC công suất SCM1246MF

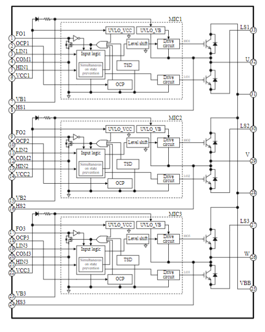
Sơ đồ chức năng khối IC công suất SCM1246MF

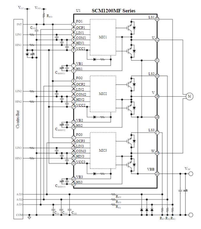
Sơ đồ ứng dụng IC công suất SCM1246MF




Giao hàng nhanh chóng
Miễn phí vận chuyển toàn QuốcSản phẩm chính hãng
Sản phẩm nhập khẩu 100%Hỗ Trợ Kỹ Thuật
Hỗ trợ kỹ thuật tất cả các sản phẩmMua hàng tiết kiệm
Tiết kiệm hơn từ 10% - 30%Hotline hỗ trợ mua hàng:
0367826588 (Zalo)