-
-
-
Tổng tiền thanh toán:
-
IC Công Suất SCM1246MF bóc máy ( thay thế scm1245mf , scm1244mf , scm1243mf ..)
Thương hiệu: Đang cập nhật
| Tình trạng:
Còn hàng
200.000₫
IC Công Suất SCM1246MF bóc máy ( thay thế scm1245mf , scm1244mf , scm1243mf ..).
Linh kiện Điện Lạnh 88 chuyên cung cấp linh kiện ngành lạnh:
- Hàng chính hãng, đảm bảo chất lượng
- Giá cả cạnh tranh thị trường
- Số lượng...
[Xem tiếp]
Gọi ngay 0367826588 để có được giá tốt nhất!
-
Mô tả
-
Tab tùy chỉnh
-
Đánh giá(APP)
IC Công Suất SCM1246MF bóc máy ( thay thế scm1245mf , scm1244mf , scm1243mf ..).
Linh kiện Điện Lạnh 88 chuyên cung cấp linh kiện ngành lạnh:
- Hàng chính hãng, đảm bảo chất lượng
- Giá cả cạnh tranh thị trường
- Số lượng lớn có sẵn tại kho
- Ship cod nhanh chóng
Shop Linh Kiện Điện Lạnh 88 Rất Mong Được Sự Ủng Hộ Của AE
SCM1246MF Datasheet
Sơ đồ chân IC công suất SCM1246MF 
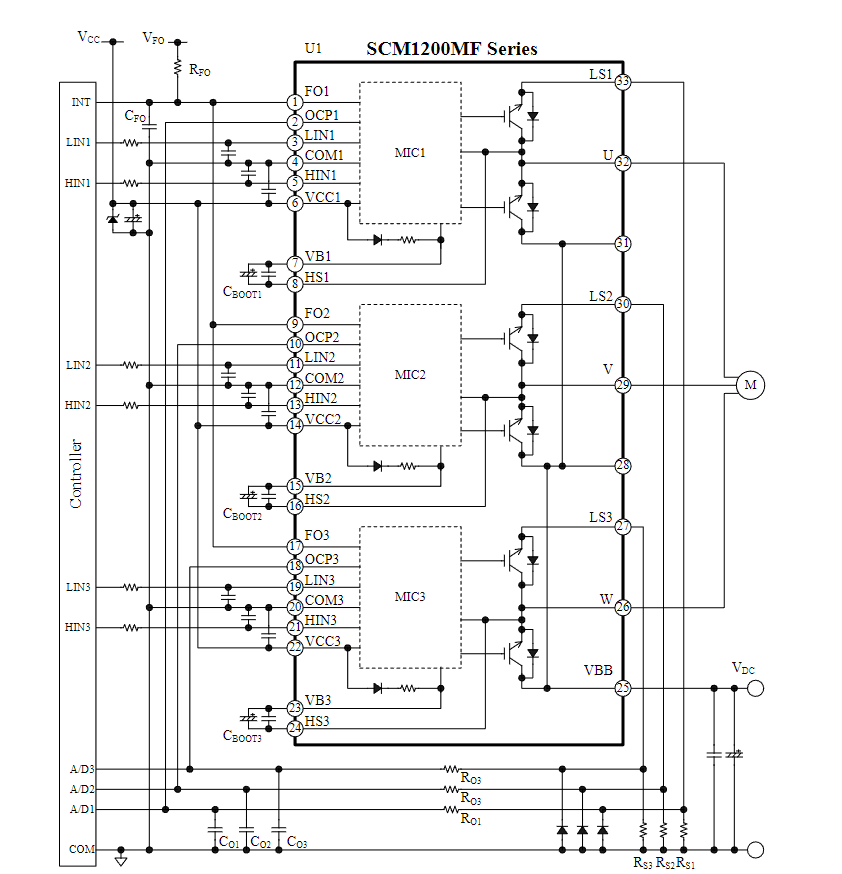
Sơ đồ ứng dụng IC công suất SCM1246MF

Sơ đồ ứng dụng IC công suất SCM1246MF

Nội dung tùy chỉnh viết ở đây
Giao hàng nhanh chóng
Chỉ trong vòng 24h đồng hồSản phẩm chính hãng
Sản phẩm nhập khẩu 100%Đổi trả cực kì dễ dàng
Đổi trả trong 2 ngày đầu tiênMua hàng tiết kiệm
Tiết kiệm hơn từ 10% - 30%Hotline mua hàng:
0367826588