-
-
-
Tổng tiền thanh toán:
-
IC Công Suất PSS30S92F6-AG Bóc Máy, Đảm Bảo Chất Lượng.
Thương hiệu: Đang cập nhật
| Tình trạng:
Còn hàng
210.000₫
IC Công Suất PSS30S92F6-AG Bóc Máy, Đảm Bảo Chất Lượng.Linh kiện Điện Lạnh 88 chuyên cung cấp linh kiện ngành lạnh:- Hàng chính hãng, đảm bảo chất lượng- Giá cả cạnh tranh thị trường- Số lượng lớn có sẵn tại...
[Xem tiếp]
Gọi ngay 0367826588 để có được giá tốt nhất!
-
Mô tả
-
Tab tùy chỉnh
-
Đánh giá(APP)
IC Công Suất PSS30S92F6-AG Bóc Máy, Đảm Bảo Chất Lượng.Linh kiện Điện Lạnh 88 chuyên cung cấp linh kiện ngành lạnh:- Hàng chính hãng, đảm bảo chất lượng- Giá cả cạnh tranh thị trường- Số lượng lớn có sẵn tại kho- Ship cod nhanh chóng Shop Linh Kiện Điện Lạnh 88 Rất Mong Được Sự Ủng Hộ Của AE#ICCongsuat#PSS30S92F6-AG#ICCongsuatdieuhoa#ICCongsuattulanh#ICCongsuatmaygiat
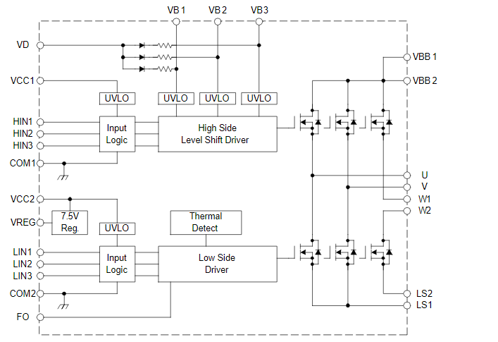
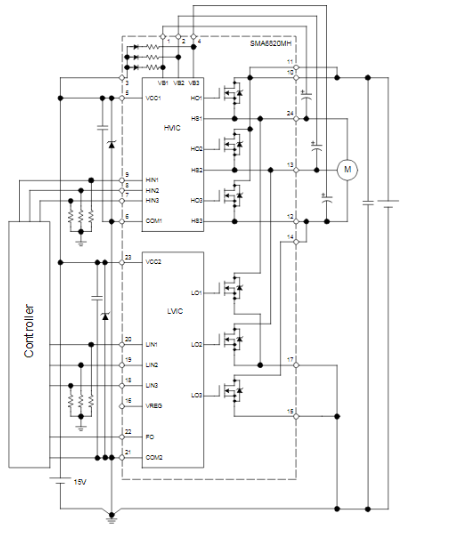
SS30S92F6-AG Datasheet
Sơ đồ chưc năng khối IC công suất SS30S92F6-AG

Sơ đồ ứng dụng IC công suất SS30S92F6-AG

Nội dung tùy chỉnh viết ở đây
Giao hàng nhanh chóng
Chỉ trong vòng 24h đồng hồSản phẩm chính hãng
Sản phẩm nhập khẩu 100%Đổi trả cực kì dễ dàng
Đổi trả trong 2 ngày đầu tiênMua hàng tiết kiệm
Tiết kiệm hơn từ 10% - 30%Hotline mua hàng:
0367826588