-
-
-
Tổng tiền thanh toán:
-
IC Công Suất PSS15S92F6-AG PSS15S92F6-A PSS15S92E6-A mới chính Hãng 100% ( có thể thay thế Pss10s92f6-a Pss10s92e6-a pss15s92e6-a pss05s92e6-A ).
Thương hiệu: Đang cập nhật
| Tình trạng:
Còn hàng
185.000₫
IC Công Suất PSS15S92F6-AG PSS15S92F6-A mới chính Hãng 100%
Có thể thay thế Pss10s92f6-a pss15s92e6-a pss10s92e6-a
Linh kiện Điện Lạnh 88 chuyên cung cấp linh kiện ngành lạnh:
- Hàng chính hãng, đảm bảo chất lượng
- Giá cả cạnh tranh thị trường
- Số lượng...
[Xem tiếp]
Gọi ngay 0367826588 để có được giá tốt nhất!
-
Mô tả
-
Tab tùy chỉnh
-
Đánh giá(APP)
IC Công Suất PSS15S92F6-AG PSS15S92F6-A mới chính Hãng 100%
Có thể thay thế Pss10s92f6-a pss15s92e6-a pss10s92e6-a
Linh kiện Điện Lạnh 88 chuyên cung cấp linh kiện ngành lạnh:
- Hàng chính hãng, đảm bảo chất lượng
- Giá cả cạnh tranh thị trường
- Số lượng lớn có sẵn tại kho
#pss10s92e6-a
#pss15s92e6-a
- Ship cod nhanh chóng
Shop Linh Kiện Điện Lạnh 88 Rất Mong Được Sự Ủng Hộ Của AE
#Pss15s92f6-ag
#pss15s92e6-a
#Pss10s92f6-a
#pss10s92e6-a
PSS15S92F6-AG Datasheet
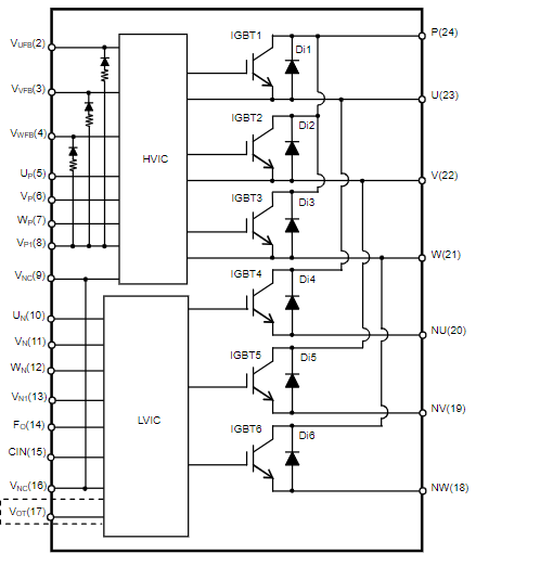
Sơ đồ chân và chức năng khối IC công suất PSS15S92F6-AG

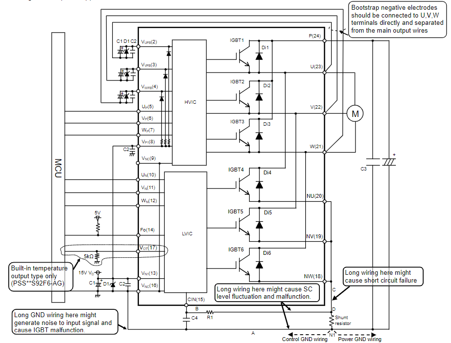
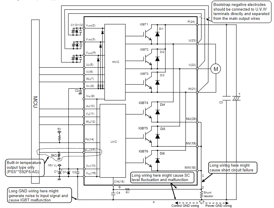
Sơ đồ ứng dụng IC công suất PSS15S92F6-AG

Nội dung tùy chỉnh viết ở đây
Giao hàng nhanh chóng
Chỉ trong vòng 24h đồng hồSản phẩm chính hãng
Sản phẩm nhập khẩu 100%Đổi trả cực kì dễ dàng
Đổi trả trong 2 ngày đầu tiênMua hàng tiết kiệm
Tiết kiệm hơn từ 10% - 30%Hotline mua hàng:
0367826588