-
-
-
Tổng tiền thanh toán:
-
IC Công Suất PSS15S92E6-AG PSS15S92F6-A= PSS15S92E6-A PSS15S92F6-A Bóc Máy, Đảm Bảo chất Lượng.
Thương hiệu: Đang cập nhật
| Tình trạng:
Còn hàng
185.000₫
IC Công Suất PSS15S92E6-AG PSS15S92F6-A= PSS15S92E6-A Bóc Máy, Đảm Bảo chất Lượng.
Linh kiện Điện Lạnh 88 chuyên cung cấp linh kiện ngành lạnh
- Hàng chính hãng, đảm bảo chất lượng
- Giá cả cạnh tranh thị trường
- Số lượng lớn có sẵn...
[Xem tiếp]
-
Mô tả
IC Công Suất PSS15S92E6-AG PSS15S92F6-A= PSS15S92E6-A Bóc Máy, Đảm Bảo chất Lượng.
Linh kiện Điện Lạnh 88 chuyên cung cấp linh kiện ngành lạnh
- Hàng chính hãng, đảm bảo chất lượng
- Giá cả cạnh tranh thị trường
- Số lượng lớn có sẵn tại kho
- Ship cod nhanh chóng
Shop Linh Kiện Điện Lạnh 88 Rất Mong Được Sự Ủng Hộ Của AE
PSS15S92E6-AG Datasheet
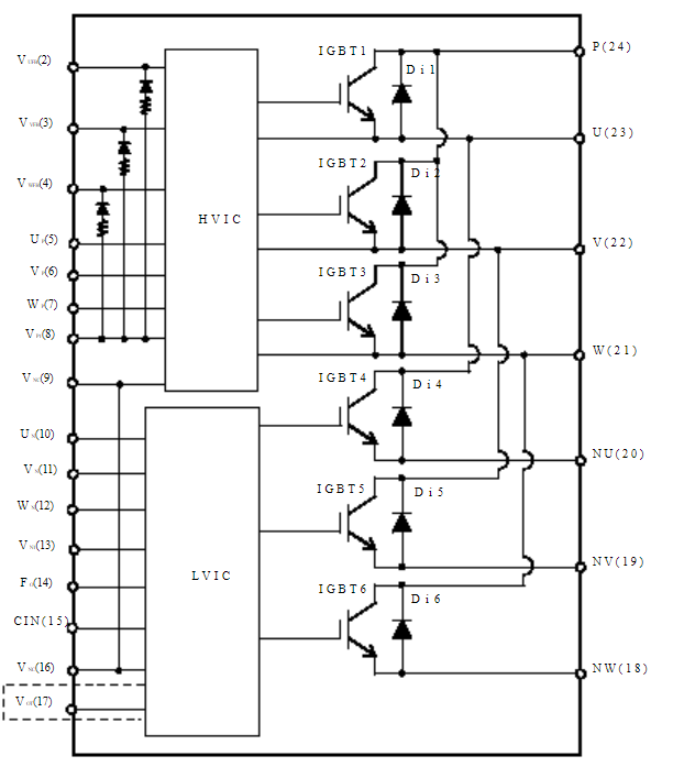
Sơ đồ chức năng khối IC công suất PSS15S92E6-AG

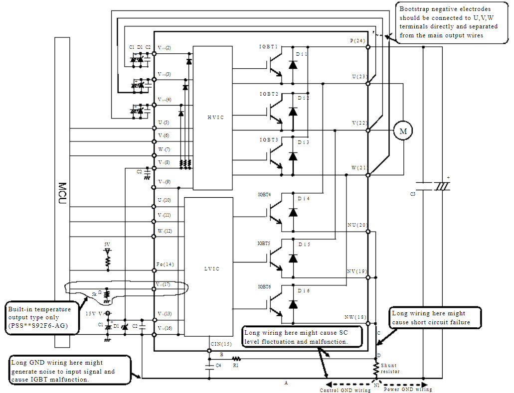
Sơ đồ ứng dụng IC công suất PSS15S92E6-AG

#Iccongsuat
#PSS15S92E6-AG
#PSS15S92F6-A
#PSS15S92E6-A
Giao hàng nhanh chóng
Miễn phí vận chuyển toàn QuốcSản phẩm chính hãng
Sản phẩm nhập khẩu 100%Hỗ Trợ Kỹ Thuật
Hỗ trợ kỹ thuật tất cả các sản phẩmMua hàng tiết kiệm
Tiết kiệm hơn từ 10% - 30%Hotline hỗ trợ mua hàng:
0367826588 (Zalo)