- 
														
- 
														- 
																Tổng tiền thanh toán:
 
- 
																
IC Công Suất PS219C4-AST tương đương PS219C4-AS PS219A4-AST Mới, Chính Hãng 100%.
								Thương hiệu: Đang cập nhật
								   |   Tình trạng: 
									 
									
									
									Còn hàng
									
									
									
								
							
							235.000₫ 
										
									
 
									
								
								
									
									IC Công Suất PS219C4-AST tương đương PS219C4-AS Mới, Chính Hãng 100%.
Có thể thay thế bằng PSS15S92F6-AG PSS15S92-AG
Linh kiện Điện Lạnh 88 chuyên cung cấp linh kiện ngành lạnh:
- Hàng chính hãng, đảm bảo chất lượng
- Giá cả cạnh tranh thị trường
-...
									
									
								
								[Xem tiếp]
							Gọi ngay 0367826588 để có được giá tốt nhất!
- 
											Mô tả
- 
											Tab tùy chỉnh
- 
											Đánh giá(APP)
IC Công Suất PS219C4-AST tương đương PS219C4-AS Mới, Chính Hãng 100%.
Có thể thay thế bằng PSS15S92F6-AG PSS15S92-AG
Linh kiện Điện Lạnh 88 chuyên cung cấp linh kiện ngành lạnh:
- Hàng chính hãng, đảm bảo chất lượng
- Giá cả cạnh tranh thị trường
- Số lượng lớn có sẵn tại kho
- Ship cod nhanh chóng
Shop Linh Kiện Điện Lạnh 88 Rất Mong Được Sự Ủng Hộ Của AE
#IC Công Suất
#PS219C4-AST
PS219C4-AST Datasheet
Sơ đồ chân và chức năng khối IC công suất PS219C4-AST

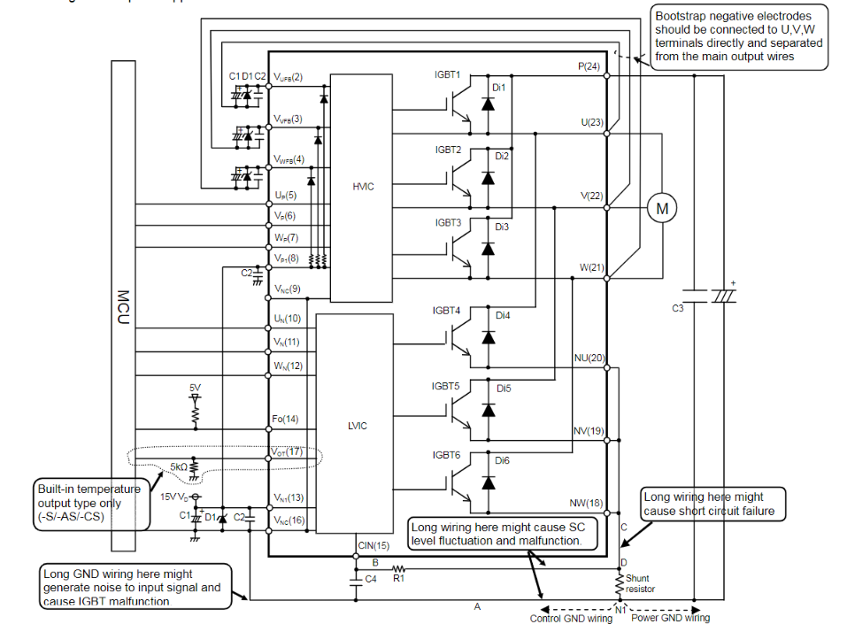
Sơ đồ ứng dụng IC công suất PS219C4-AST

											Nội dung tùy chỉnh viết ở đây	
										
									Giao hàng nhanh chóng
Chỉ trong vòng 24h đồng hồSản phẩm chính hãng
Sản phẩm nhập khẩu 100%Đổi trả cực kì dễ dàng
Đổi trả trong 2 ngày đầu tiênMua hàng tiết kiệm
Tiết kiệm hơn từ 10% - 30%Hotline mua hàng:
0367826588 
	
 
					
								 
	
													
												 
									 
											 
											 
											 
	 
	 
	 
	 
	