-
-
-
Tổng tiền thanh toán:
-
IC Công Suất PS21963-4AE PS21963-4A Mới Chính Hãng !
Thương hiệu: Đang cập nhật
| Tình trạng:
Hết hàng
220.000₫
IC Công Suất PS21963-4AE PS21963-4A Mới Chính Hãng !
Hàng chất lượng anh em yên tâm 100%
Linh kiện Điện Lạnh 88 chuyên cung cấp linh kiện ngành lạnh:
- Hàng chính hãng, đảm bảo chất lượng
- Giá cả cạnh tranh thị trường
- Số lượng...
[Xem tiếp]
-
Mô tả
IC Công Suất PS21963-4AE PS21963-4A Mới Chính Hãng !
Hàng chất lượng anh em yên tâm 100%
Linh kiện Điện Lạnh 88 chuyên cung cấp linh kiện ngành lạnh:
- Hàng chính hãng, đảm bảo chất lượng
- Giá cả cạnh tranh thị trường
- Số lượng lớn có sẵn tại kho
- Ship cod nhanh chóng
Shop Linh Kiện Điện Lạnh 88 Rất Mong Được Sự Ủng Hộ Của AE
#PS21963
PS21963-4AE Datasheet
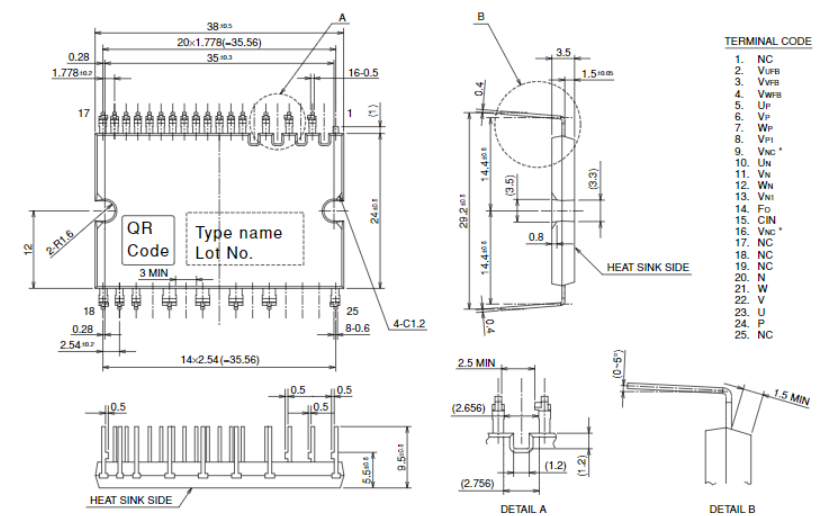
Sơ đồ chân và kích thước IC công suất PS21963-4AE

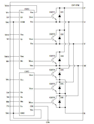
Sơ đồ chức năng khối IC công suất PS21963-4AE

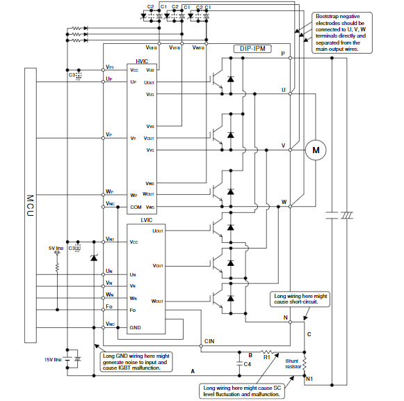
Sơ đồ ứng dụng IC công suất PS21963-4AE

Giao hàng nhanh chóng
Miễn phí vận chuyển toàn QuốcSản phẩm chính hãng
Sản phẩm nhập khẩu 100%Hỗ Trợ Kỹ Thuật
Hỗ trợ kỹ thuật tất cả các sản phẩmMua hàng tiết kiệm
Tiết kiệm hơn từ 10% - 30%Hotline hỗ trợ mua hàng:
0367826588 (Zalo)