- 
														
 - 
														
- 
																Tổng tiền thanh toán:
 
 - 
																
 
IC Công Suất PS21564-CP Bóc Máy, Đảm Bảo Chất Lượng.
								Thương hiệu: Đang cập nhật
								   |   Tình trạng: 
									 
									
									
									Còn hàng
									
									
									
								
							
							200.000₫ 
										
									
 
									
								
								
									
									IC Công Suất PS21564-CP Bóc Máy, Đảm Bảo Chất Lượng. 
Linh kiện Điện Lạnh 88 chuyên cung cấp linh kiện ngành lạnh:
- Sll có sẵn tại kho, Sẵn sàng phục vụ AE thợ 
- Hàng chính hãng - chất lượng đảm bảo AE yên...
									
									
								
								[Xem tiếp]
							Gọi ngay 0367826588 để có được giá tốt nhất!
- 
											
Mô tả
 - 
											
Tab tùy chỉnh
 - 
											
Đánh giá(APP)
 
IC Công Suất PS21564-CP Bóc Máy, Đảm Bảo Chất Lượng.
Linh kiện Điện Lạnh 88 chuyên cung cấp linh kiện ngành lạnh:
- Sll có sẵn tại kho, Sẵn sàng phục vụ AE thợ 
- Hàng chính hãng - chất lượng đảm bảo AE yên tâm thay thế !
- Giá cạnh tranh nhất thị trường !
- Ship Cod nhanh chóng toàn Quốc 
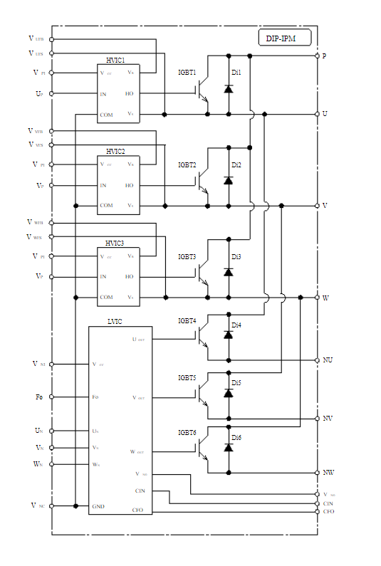
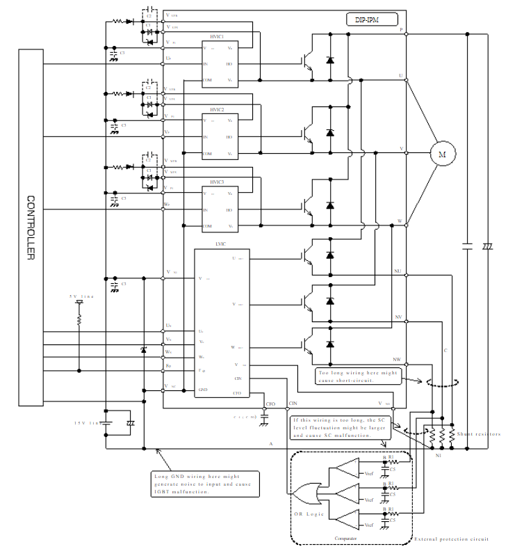
PS21564-CP Datasheet
Sơ đồ chức năng khối IC công suất PS21564-CP

Sơ đồ  ứng dụng IC công suất PS21564-CP

———————————————
Linh Kiện Điện Lạnh 88
Rất mong được sự ủng hộ của ae <3 <3
#PS21564-cp
											Nội dung tùy chỉnh viết ở đây	
										
									Giao hàng nhanh chóng
Chỉ trong vòng 24h đồng hồSản phẩm chính hãng
Sản phẩm nhập khẩu 100%Đổi trả cực kì dễ dàng
Đổi trả trong 2 ngày đầu tiênMua hàng tiết kiệm
Tiết kiệm hơn từ 10% - 30%Hotline mua hàng:
0367826588