-
-
-
Tổng tiền thanh toán:
-
IC Công Suất PS20660-RZ Bóc Máy, Đảm Bảo Chất Lượng.
Thương hiệu: Đang cập nhật
| Tình trạng:
Hết hàng
280.000₫
IC Công Suất PS20660-RZ Bóc Máy, Đảm Bảo Chất Lượng.
Linh kiện Điện Lạnh 88 chuyên cung cấp linh kiện ngành lạnh:
- Hàng chính hãng, đảm bảo chất lượng
- Giá cả cạnh tranh thị trường
- Số lượng lớn có sẵn tại kho
-...
[Xem tiếp]
Gọi ngay 0367826588 để có được giá tốt nhất!
-
Mô tả
-
Tab tùy chỉnh
-
Đánh giá(APP)
IC Công Suất PS20660-RZ Bóc Máy, Đảm Bảo Chất Lượng.
Linh kiện Điện Lạnh 88 chuyên cung cấp linh kiện ngành lạnh:
- Hàng chính hãng, đảm bảo chất lượng
- Giá cả cạnh tranh thị trường
- Số lượng lớn có sẵn tại kho
- Ship cod nhanh chóng
Shop Linh Kiện Điện Lạnh 88 Rất Mong Được Sự Ủng Hộ Của AE
#ICCongsuat
#PS20660-RZ
#ICCongsuattulanh
#ICCongsuatmaygiat
#ICCongsuatdieuhoa
PS20660-RZ Datasheet
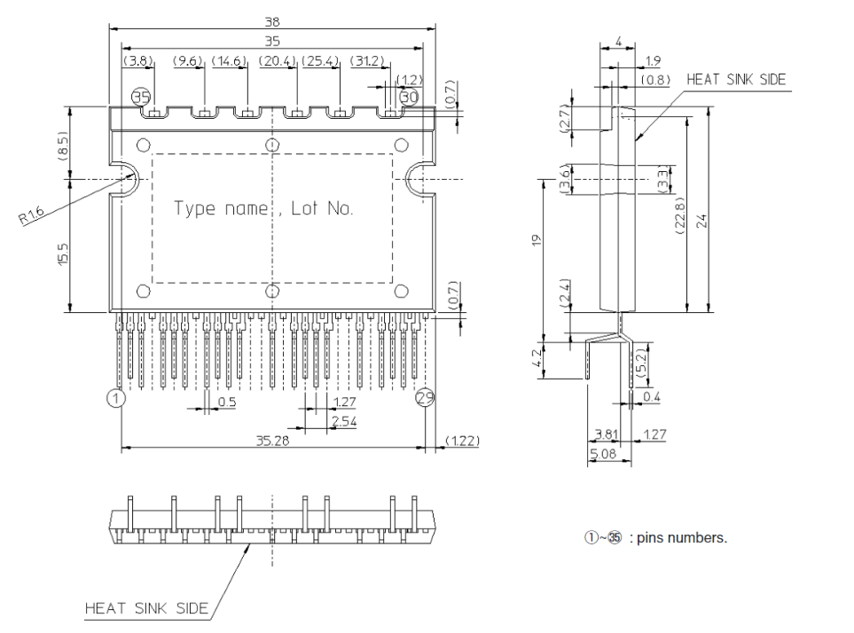
Sơ đồ kích thước và chân IC công suất PS20660-RZ


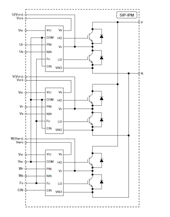
Sơ đồ chức năng khối IC công suất PS20660-RZ

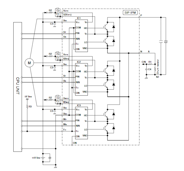
Sơ đồ ứng dụng IC công suất PS20660-RZ



Nội dung tùy chỉnh viết ở đây
Giao hàng nhanh chóng
Chỉ trong vòng 24h đồng hồSản phẩm chính hãng
Sản phẩm nhập khẩu 100%Đổi trả cực kì dễ dàng
Đổi trả trong 2 ngày đầu tiênMua hàng tiết kiệm
Tiết kiệm hơn từ 10% - 30%Hotline mua hàng:
0367826588