-
-
-
Tổng tiền thanh toán:
-
IC Công Suất NB80560T3 Mới, Chính Hãng 100%.
Thương hiệu: Đang cập nhật
| Tình trạng:
Hết hàng
250.000₫
IC Công Suất NB80560T3 Mới, Chính Hãng 100%.
Linh kiện Điện Lạnh 88 chuyên cung cấp linh kiện ngành lạnh:
- Hàng chính hãng, đảm bảo chất lượng- Giá cả cạnh tranh thị trường
- Số lượng lớn có sẵn tại kho
- Ship...
[Xem tiếp]
Gọi ngay 0367826588 để có được giá tốt nhất!
-
Mô tả
-
Tab tùy chỉnh
-
Đánh giá(APP)
IC Công Suất NB80560T3 Mới, Chính Hãng 100%.
Linh kiện Điện Lạnh 88 chuyên cung cấp linh kiện ngành lạnh:
- Hàng chính hãng, đảm bảo chất lượng- Giá cả cạnh tranh thị trường
- Số lượng lớn có sẵn tại kho
- Ship cod nhanh chóng Shop Linh Kiện Điện Lạnh 88 Rất Mong Được Sự Ủng Hộ Của AE
#ICCongsuat# NB80560T3#ICCongsuatdieuhoa#ICCongsuattulanh#ICCongsuatmaygiat
NB80560T3 Datasheet
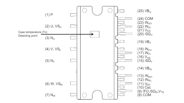
Sơ đồ chân IC công suất NB80560T3

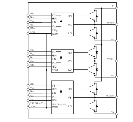
Sơ đồ chức năng khối IC công suất NB80560T3

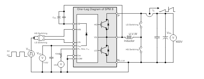
Sơ đồ ứng dụng IC công suất NB80560T3

Nội dung tùy chỉnh viết ở đây
Giao hàng nhanh chóng
Chỉ trong vòng 24h đồng hồSản phẩm chính hãng
Sản phẩm nhập khẩu 100%Đổi trả cực kì dễ dàng
Đổi trả trong 2 ngày đầu tiênMua hàng tiết kiệm
Tiết kiệm hơn từ 10% - 30%Hotline mua hàng:
0367826588