-
-
-
Tổng tiền thanh toán:
-
IC Công Suất (IPM) PS219B3 PS219B3-ADST 10A 600V Bóc Máy.
Thương hiệu: Đang cập nhật
| Tình trạng:
Còn hàng
195.000₫
IC Công Suất (IPM) PS219B3 PS219B3-ADST 10A 600V Bóc Máy.
- Sll có sẵn tại kho, Sẵn sàng phục vụ AE thợ
- Hàng chính hãng - chất lượng đảm bảo AE yên tâm thay thế !
- Giá cạnh tranh nhất thị trường...
[Xem tiếp]
-
Mô tả
IC Công Suất (IPM) PS219B3 PS219B3-ADST 10A 600V Bóc Máy.
- Sll có sẵn tại kho, Sẵn sàng phục vụ AE thợ
- Hàng chính hãng - chất lượng đảm bảo AE yên tâm thay thế !
- Giá cạnh tranh nhất thị trường !
- Ship Cod nhanh chóng toàn Quốc
PS219B3 Datasheet
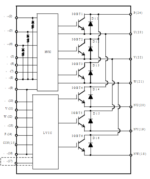
Sơ đồ chức năng khối IC công suất PS219B3

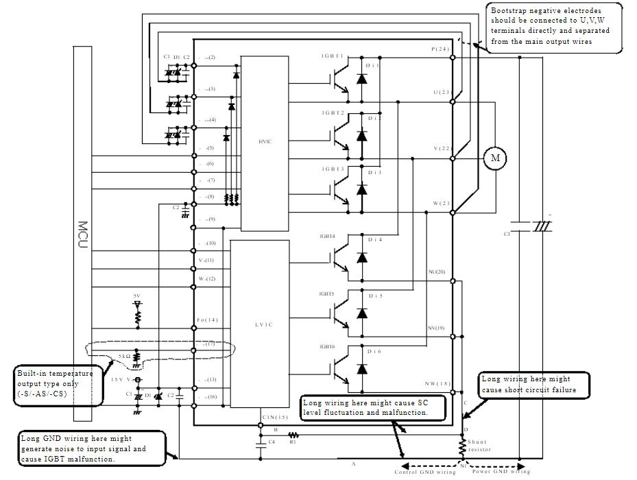
Sơ đồ ứng dụng IC công suất PS219B3

———————————————
Linh Kiện Điện Lạnh 88
Rất mong được sự ủng hộ của ae <3 <3
#PS219B3-ADST
Giao hàng nhanh chóng
Miễn phí vận chuyển toàn QuốcSản phẩm chính hãng
Sản phẩm nhập khẩu 100%Hỗ Trợ Kỹ Thuật
Hỗ trợ kỹ thuật tất cả các sản phẩmMua hàng tiết kiệm
Tiết kiệm hơn từ 10% - 30%Hotline hỗ trợ mua hàng:
0367826588 (Zalo)