-
-
-
Tổng tiền thanh toán:
-
IC Công Suất (IPM) PS21964 PS21964-ST PS21964-4S Bóc Máy
Thương hiệu: Đang cập nhật
| Tình trạng:
Còn hàng
180.000₫
IC Công Suất (IPM) PS21964 PS21964-ST Bóc Máy
- Sll có sẵn tại kho, Sẵn sàng phục vụ AE thợ
- Hàng chính hãng - chất lượng đảm bảo AE yên tâm thay thế !
- Giá cạnh tranh nhất thị trường !
- Ship...
[Xem tiếp]
Gọi ngay 0367826588 để có được giá tốt nhất!
-
Mô tả
-
Tab tùy chỉnh
-
Đánh giá(APP)
IC Công Suất (IPM) PS21964 PS21964-ST Bóc Máy
- Sll có sẵn tại kho, Sẵn sàng phục vụ AE thợ
- Hàng chính hãng - chất lượng đảm bảo AE yên tâm thay thế !
- Giá cạnh tranh nhất thị trường !
- Ship Cod nhanh chóng toàn Quốc
PS21964 Datasheet
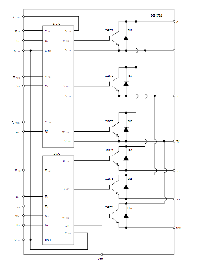
Sơ đồ Chức năng khối IC công suất PS21964

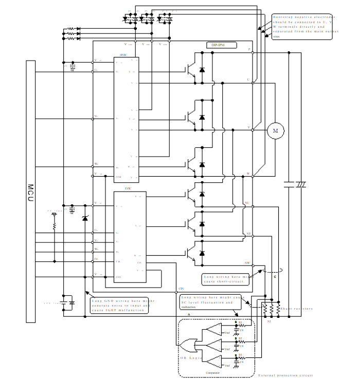
Sơ đồ ứng dụng IC công suất PS21964

———————————————
Linh Kiện Điện Lạnh 88
Rất mong được sự ủng hộ của ae <3 <3
#ps21964-st
Nội dung tùy chỉnh viết ở đây
Giao hàng nhanh chóng
Chỉ trong vòng 24h đồng hồSản phẩm chính hãng
Sản phẩm nhập khẩu 100%Đổi trả cực kì dễ dàng
Đổi trả trong 2 ngày đầu tiênMua hàng tiết kiệm
Tiết kiệm hơn từ 10% - 30%Hotline mua hàng:
0367826588