-
-
-
Tổng tiền thanh toán:
-
IC Công Suất (IPM) PS21963-A PS21963 10A 600V Bóc Máy.
Thương hiệu: Đang cập nhật
| Tình trạng:
Còn hàng
165.000₫
IC Công Suất (IPM) PS21963-A PS21963 10A 600V Bóc Máy.
- Sll có sẵn tại kho, Sẵn sàng phục vụ AE thợ
- Hàng chính hãng - chất lượng đảm bảo AE yên tâm thay thế !
- Giá cạnh tranh nhất thị trường...
[Xem tiếp]
Gọi ngay 0367826588 để có được giá tốt nhất!
-
Mô tả
-
Tab tùy chỉnh
-
Đánh giá(APP)
IC Công Suất (IPM) PS21963-A PS21963 10A 600V Bóc Máy.
- Sll có sẵn tại kho, Sẵn sàng phục vụ AE thợ
- Hàng chính hãng - chất lượng đảm bảo AE yên tâm thay thế !
- Giá cạnh tranh nhất thị trường !
- Ship Cod nhanh chóng toàn Quốc
PS21963-A Datasheet
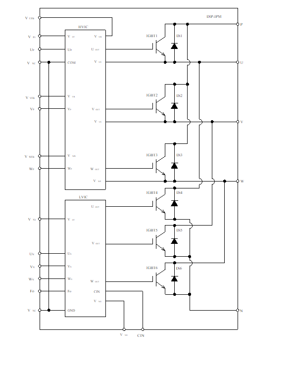
Sơ đồ chức năng khối IC công suất PS21963-A

Sơ đồ ứng dụng IC công suất PS21963-A

———————————————
Linh Kiện Điện Lạnh 88
Rất mong được sự ủng hộ của ae <3 <3
#ps21963-a
Nội dung tùy chỉnh viết ở đây
Giao hàng nhanh chóng
Chỉ trong vòng 24h đồng hồSản phẩm chính hãng
Sản phẩm nhập khẩu 100%Đổi trả cực kì dễ dàng
Đổi trả trong 2 ngày đầu tiênMua hàng tiết kiệm
Tiết kiệm hơn từ 10% - 30%Hotline mua hàng:
0367826588