-
-
-
Tổng tiền thanh toán:
-
IC Công Suất IKCM30F60GA 30A 600V Mới Chính Hãng 100%.
Thương hiệu: Đang cập nhật
| Tình trạng:
Còn hàng
285.000₫
IC Công Suất IKCM30F60GA 30A 600V Mới Chính Hãng 100%.
Hàng chất lượng anh em yên tâm 100%
Linh kiện Điện Lạnh 88 chuyên cung cấp linh kiện ngành lạnh:
- Hàng chính hãng, đảm bảo chất lượng
- Giá cả cạnh tranh thị trường
- Số...
[Xem tiếp]
Gọi ngay 0367826588 để có được giá tốt nhất!
-
Mô tả
-
Tab tùy chỉnh
-
Đánh giá(APP)
IC Công Suất IKCM30F60GA 30A 600V Mới Chính Hãng 100%.
Hàng chất lượng anh em yên tâm 100%
Linh kiện Điện Lạnh 88 chuyên cung cấp linh kiện ngành lạnh:
- Hàng chính hãng, đảm bảo chất lượng
- Giá cả cạnh tranh thị trường
- Số lượng lớn có sẵn tại kho
- Ship cod nhanh chóng
Shop Linh Kiện Điện Lạnh 88 Rất Mong Được Sự Ủng Hộ Của AE.
#IKCM30F60GA
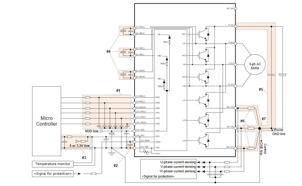
IKCM30F60GA Datasheet
Sơ đồ chân IC công suất IKCM30F60GA


Sơ đồ chức năng khối IC công suất IKCM30F60GA

Sơ đồ ứng dụng IC công suất IKCM30F60GA

Nội dung tùy chỉnh viết ở đây
Giao hàng nhanh chóng
Chỉ trong vòng 24h đồng hồSản phẩm chính hãng
Sản phẩm nhập khẩu 100%Đổi trả cực kì dễ dàng
Đổi trả trong 2 ngày đầu tiênMua hàng tiết kiệm
Tiết kiệm hơn từ 10% - 30%Hotline mua hàng:
0367826588