-
-
-
Tổng tiền thanh toán:
-
IC Công Suất IGCM15F60GA Bóc Máy, Đảm Bảo Chất Lượng.
Thương hiệu: Đang cập nhật
| Tình trạng:
Còn hàng
185.000₫
IC Công Suất IGCM15F60GA Bóc Máy, Đảm Bảo Chất Lượng.
Linh kiện Điện Lạnh 88 chuyên cung cấp linh kiện ngành lạnh:
- Sll có sẵn tại kho, Sẵn sàng phục vụ AE thợ
- Hàng chính hãng - chất lượng đảm bảo AE yên...
[Xem tiếp]
Gọi ngay 0367826588 để có được giá tốt nhất!
-
Mô tả
-
Tab tùy chỉnh
-
Đánh giá(APP)
IC Công Suất IGCM15F60GA Bóc Máy, Đảm Bảo Chất Lượng.
Linh kiện Điện Lạnh 88 chuyên cung cấp linh kiện ngành lạnh:
- Sll có sẵn tại kho, Sẵn sàng phục vụ AE thợ
- Hàng chính hãng - chất lượng đảm bảo AE yên tâm thay thế !
- Giá cạnh tranh nhất thị trường !
- Ship Cod nhanh chóng toàn Quốc
IGCM15F60GA Datasheet
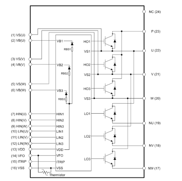
Sơ đồ chân Ic công suất IGCM15F60GA

Sơ đồ chức năng khối IC công suất IGCM15F60GA

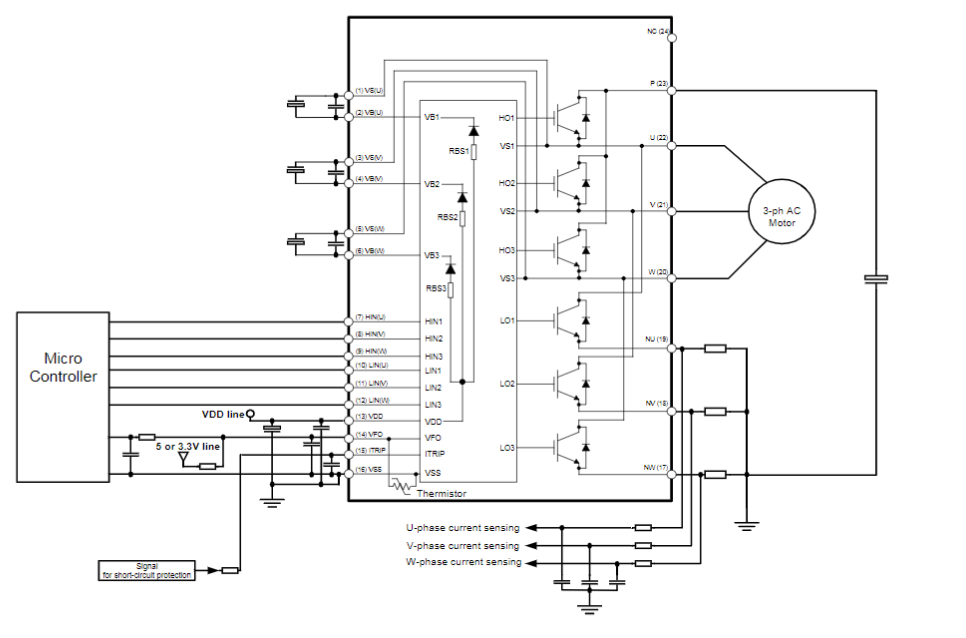
Sơ đồ ứng dụng IC công suất IGCM15F60GA

———————————————
Linh Kiện Điện Lạnh 88
Rất mong được sự ủng hộ của ae <3 <3
#IGCM15F60GA
Nội dung tùy chỉnh viết ở đây
Giao hàng nhanh chóng
Chỉ trong vòng 24h đồng hồSản phẩm chính hãng
Sản phẩm nhập khẩu 100%Đổi trả cực kì dễ dàng
Đổi trả trong 2 ngày đầu tiênMua hàng tiết kiệm
Tiết kiệm hơn từ 10% - 30%Hotline mua hàng:
0367826588