-
-
-
Tổng tiền thanh toán:
-
Ic Công Suất IFCM15S60GD Bóc Máy ,Đảm Bảo Chất Lượng .
Thương hiệu: Đang cập nhật
| Tình trạng:
Hết hàng
200.000₫
Ic Công Suất IFCM15S60GD Bóc Máy ,Đảm Bảo Chất Lượng .
Linh kiện Điện Lạnh 88 chuyên cung cấp linh kiện ngành lạnh:
- Hàng chính hãng, đảm bảo chất lượng
- Giá cả cạnh tranh thị trường
- Số lượng lớn có sẵn tại kho
- Ship...
[Xem tiếp]
-
Mô tả
Ic Công Suất IFCM15S60GD Bóc Máy ,Đảm Bảo Chất Lượng .
Linh kiện Điện Lạnh 88 chuyên cung cấp linh kiện ngành lạnh:
- Hàng chính hãng, đảm bảo chất lượng
- Giá cả cạnh tranh thị trường
- Số lượng lớn có sẵn tại kho
- Ship cod nhanh chóng
Shop Linh Kiện Điện Lạnh 88 Rất Mong Được Sự Ủng Hộ Của AE
#Ic Công Suất
#IFCM15S60GD
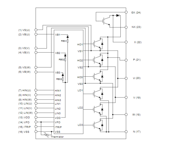
IFCM15S60GD Datasheet
Sơ đồ chân IC công suất IFCM15S60GD\


Sơ đồ chức năng khối IC công suất IFCM15S60GD

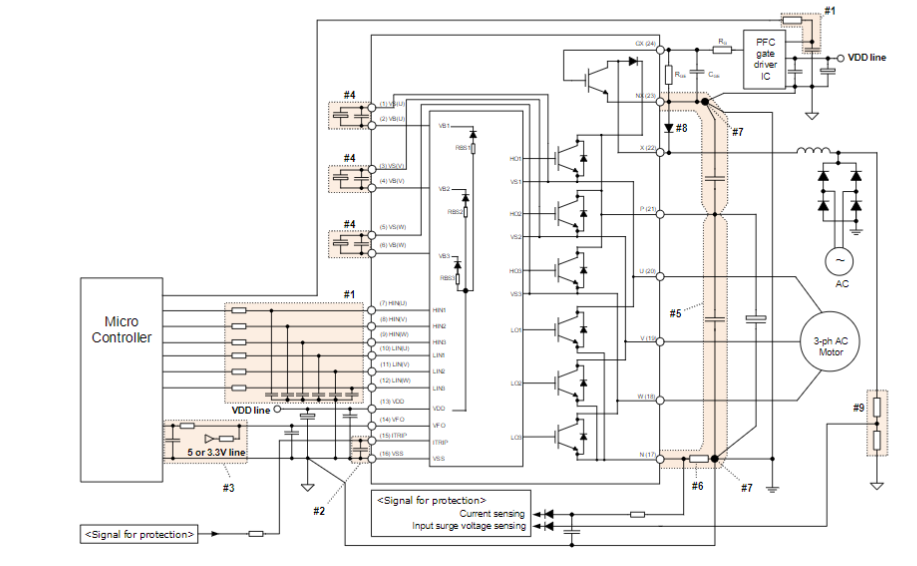
Sơ đồ ứng dụng IC công suất IFCM15S60GD



Giao hàng nhanh chóng
Miễn phí vận chuyển toàn QuốcSản phẩm chính hãng
Sản phẩm nhập khẩu 100%Hỗ Trợ Kỹ Thuật
Hỗ trợ kỹ thuật tất cả các sản phẩmMua hàng tiết kiệm
Tiết kiệm hơn từ 10% - 30%Hotline hỗ trợ mua hàng:
0367826588 (Zalo)