-
-
-
Tổng tiền thanh toán:
-
Ic Công Suất Gif10ch60ts-L Thay Thế Cho Gif10ch60ts-X Gif5ch60-X Mới, Chính Hãng 100%.
Thương hiệu: Đang cập nhật
| Tình trạng:
Hết hàng
250.000₫
Ic Công Suất Gif10ch60ts-L Thay Thế Cho Gif10ch60ts-X Gif5ch60-X Mới, Chính Hãng 100%.
Linh kiện Điện Lạnh 88 chuyên cung cấp linh kiện ngành lạnh:
- Hàng chính hãng, đảm bảo chất lượng
- Giá cả cạnh tranh thị trường
- Số lượng lớn có...
[Xem tiếp]
Gọi ngay 0367826588 để có được giá tốt nhất!
-
Mô tả
-
Tab tùy chỉnh
-
Đánh giá(APP)
Ic Công Suất Gif10ch60ts-L Thay Thế Cho Gif10ch60ts-X Gif5ch60-X Mới, Chính Hãng 100%.
Linh kiện Điện Lạnh 88 chuyên cung cấp linh kiện ngành lạnh:
- Hàng chính hãng, đảm bảo chất lượng
- Giá cả cạnh tranh thị trường
- Số lượng lớn có sẵn tại kho
- Ship cod nhanh chóng
Shop Linh Kiện Điện Lạnh 88 Rất Mong Được Sự Ủng Hộ Của AE
#iccongsuat
#Gif10ch60ts-L
#Gif10ch60ts-X
#Gif5ch60-x
#gif5ch60-L
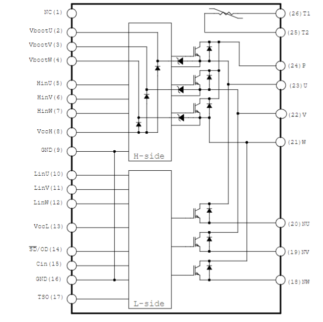
Gif10ch60ts-L Datasheet
Sơ đồ chân và chức năng khối IC công suất Gif10ch60ts-L


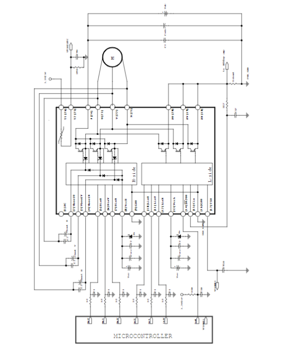
Sơ đồ ứng dụng IC công suất Gif10ch60ts-L

Nội dung tùy chỉnh viết ở đây
Giao hàng nhanh chóng
Chỉ trong vòng 24h đồng hồSản phẩm chính hãng
Sản phẩm nhập khẩu 100%Đổi trả cực kì dễ dàng
Đổi trả trong 2 ngày đầu tiênMua hàng tiết kiệm
Tiết kiệm hơn từ 10% - 30%Hotline mua hàng:
0367826588