-
-
-
Tổng tiền thanh toán:
-
IC Công suất FSBS10CH60T FSBS8CH60T mới chính Hãng 100%
Thương hiệu: Đang cập nhật
| Tình trạng:
Hết hàng
320.000₫
IC Công suất FSBS10CH60T FSBS8CH60T mới chính Hãng 100%.
Linh kiện Điện Lạnh 88 chuyên cung cấp linh kiện ngành lạnh
- Hàng chính hãng, đảm bảo chất lượng
- Giá cả cạnh tranh thị trường
- Số lượng lớn có sẵn tại kho
- Ship...
[Xem tiếp]
-
Mô tả
IC Công suất FSBS10CH60T FSBS8CH60T mới chính Hãng 100%.
Linh kiện Điện Lạnh 88 chuyên cung cấp linh kiện ngành lạnh
- Hàng chính hãng, đảm bảo chất lượng
- Giá cả cạnh tranh thị trường
- Số lượng lớn có sẵn tại kho
- Ship cod nhanh chóng
Shop Linh Kiện Điện Lạnh 88 Rất Mong Được Sự Ủng Hộ Của AE
#Iccongsuat
#FSBS10CH60T
FSBS8CH60T Datasheet
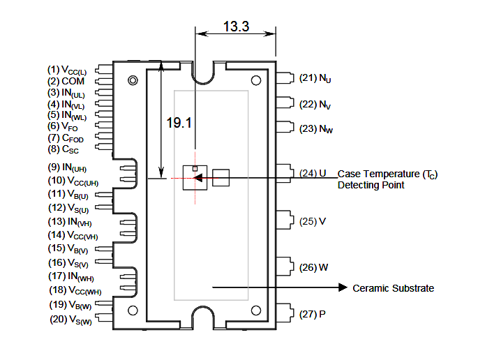
Sơ đồ chân IC công suất FSBS8CH60T


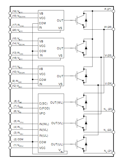
Sơ đồ chức năng khối IC công suất FSBS8CH60T

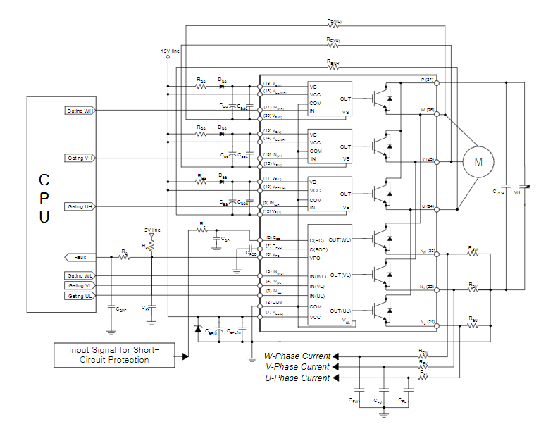
Sơ đồ ứng dụng IC công suất FSBS8CH60T

Giao hàng nhanh chóng
Miễn phí vận chuyển toàn QuốcSản phẩm chính hãng
Sản phẩm nhập khẩu 100%Hỗ Trợ Kỹ Thuật
Hỗ trợ kỹ thuật tất cả các sản phẩmMua hàng tiết kiệm
Tiết kiệm hơn từ 10% - 30%Hotline hỗ trợ mua hàng:
0367826588 (Zalo)