-
-
-
Tổng tiền thanh toán:
-
IC Công Suất FSBF15CH60BT 15CH60 15A 600V Mới, Chính Hãng 100%. ( Có Thể Thay cho FSBS15CH60F FSBS10CH60F FSBS15CH60 FSBS10CH60 )
Thương hiệu: Đang cập nhật
| Tình trạng:
Còn hàng
320.000₫
IC Công Suất FSBF15CH60BT 15CH60 15A 600V Bóc Máy
( Có Thể Thay cho FSBS15CH60F FSBS10CH60F FSBS15CH60 FSBS10CH60 )
- Sll có sẵn tại kho, Sẵn sàng phục vụ AE thợ
- Hàng chính hãng - chất lượng đảm bảo AE yên tâm thay...
[Xem tiếp]
Gọi ngay 0367826588 để có được giá tốt nhất!
-
Mô tả
-
Tab tùy chỉnh
-
Đánh giá(APP)
IC Công Suất FSBF15CH60BT 15CH60 15A 600V Bóc Máy
( Có Thể Thay cho FSBS15CH60F FSBS10CH60F FSBS15CH60 FSBS10CH60 )
- Sll có sẵn tại kho, Sẵn sàng phục vụ AE thợ
- Hàng chính hãng - chất lượng đảm bảo AE yên tâm thay thế !
- Giá cạnh tranh nhất thị trường !
- Ship Cod nhanh chóng toàn Quốc
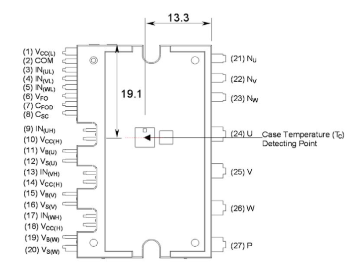
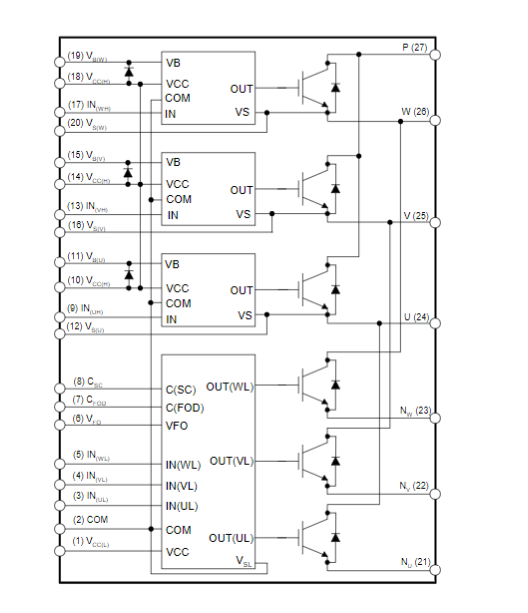
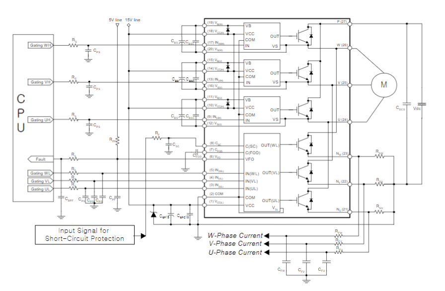
FSBF15CH60BT Datasheet
Sơ đồ chân IC công suất FSBF15CH60BT

Sơ đồ chức năng khối IC công suất FSBF15CH60BT

Sơ đồ ứng dụng IC công suất FSBF15CH60BT

———————————————
Linh Kiện Điện Lạnh 88
Rất mong được sự ủng hộ của ae <3 <3
#FSBF15CH60BT


Nội dung tùy chỉnh viết ở đây
Giao hàng nhanh chóng
Chỉ trong vòng 24h đồng hồSản phẩm chính hãng
Sản phẩm nhập khẩu 100%Đổi trả cực kì dễ dàng
Đổi trả trong 2 ngày đầu tiênMua hàng tiết kiệm
Tiết kiệm hơn từ 10% - 30%Hotline mua hàng:
0367826588