-
-
-
Tổng tiền thanh toán:
-
IC Công Suất FSBB30CH60F Mới chính Hãng Fairchild 100%.
Thương hiệu: Đang cập nhật
| Tình trạng:
Còn hàng
340.000₫
IC Công Suất FSBB30CH60F Mới chính Hãng Fairchild 100%.
Hàng chính Hãng chất lượng đảm bảo AE yên tâm thay thế
Linh kiện Điện Lạnh 88 chuyên cung cấp linh kiện ngành lạnh:
- Hàng chính hãng, đảm bảo chất lượng
- Giá cả cạnh...
[Xem tiếp]
Gọi ngay 0367826588 để có được giá tốt nhất!
-
Mô tả
-
Tab tùy chỉnh
-
Đánh giá(APP)
IC Công Suất FSBB30CH60F Mới chính Hãng Fairchild 100%.
Hàng chính Hãng chất lượng đảm bảo AE yên tâm thay thế
Linh kiện Điện Lạnh 88 chuyên cung cấp linh kiện ngành lạnh:
- Hàng chính hãng, đảm bảo chất lượng
- Giá cả cạnh tranh thị trường
- Số lượng lớn có sẵn tại kho
- Ship cod nhanh chóng
Shop Linh Kiện Điện Lạnh 88 Rất Mong Được Sự Ủng Hộ Của AE
FSBB30CH60F Datasheet
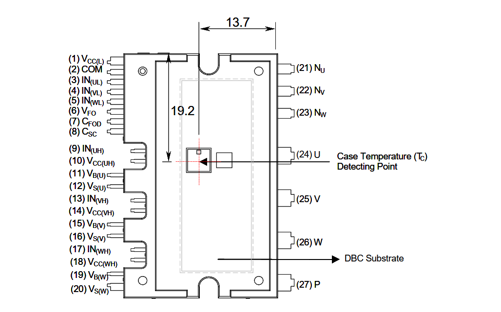
Sơ đồ chân IC công suất FSBB30CH60F


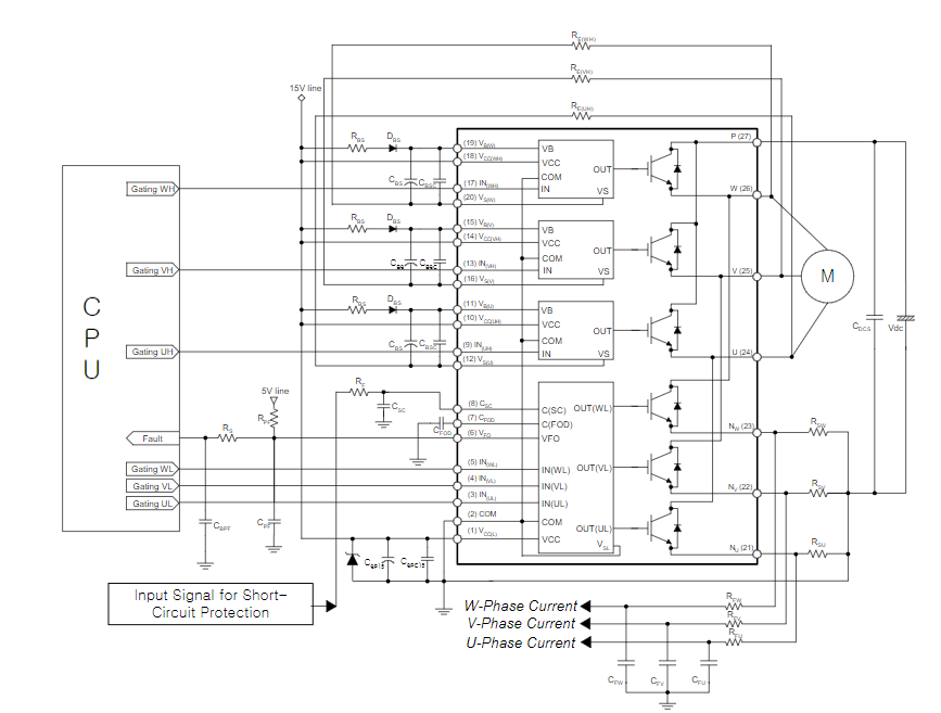
Sơ đồ chức năng khối IC công suất FSBB30CH60F

Sơ đồ ứng dụng IC công suất FSBB30CH60F

Nội dung tùy chỉnh viết ở đây
Giao hàng nhanh chóng
Chỉ trong vòng 24h đồng hồSản phẩm chính hãng
Sản phẩm nhập khẩu 100%Đổi trả cực kì dễ dàng
Đổi trả trong 2 ngày đầu tiênMua hàng tiết kiệm
Tiết kiệm hơn từ 10% - 30%Hotline mua hàng:
0367826588