-
-
-
Tổng tiền thanh toán:
-
IC Công Suất FSBB30CH60C Bóc Máy, Đảm Bảo Chất Lượng (CÓ THỂ THAY THẾ CHO FCBB20CH60SF )
Thương hiệu: Đang cập nhật
| Tình trạng:
Còn hàng
190.000₫
IC Công Suất FSBB30CH60C Bóc Máy, Đảm Bảo Chất Lượng.
Linh kiện Điện Lạnh 88 chuyên cung cấp linh kiện ngành lạnh:
- Hàng chính hãng, đảm bảo chất lượng- Giá cả cạnh tranh thị trường
- Số lượng lớn có sẵn tại...
[Xem tiếp]
-
Mô tả
IC Công Suất FSBB30CH60C Bóc Máy, Đảm Bảo Chất Lượng.
Linh kiện Điện Lạnh 88 chuyên cung cấp linh kiện ngành lạnh:
- Hàng chính hãng, đảm bảo chất lượng- Giá cả cạnh tranh thị trường
- Số lượng lớn có sẵn tại kho
- Ship cod nhanh chóng Shop Linh Kiện Điện Lạnh 88 Rất Mong Được Sự Ủng Hộ Của AE
#ICCongsuat#FSBB30CH60C #ICCongsuatdieuhoa#ICCongsuattulanh#ICCongsuatmaygiat
FSBB30CH60C Datasheet
Sơ đồ chân IC công suất FSBB30CH60C

Sơ đồ chức năng khối IC công suất FSBB30CH60C

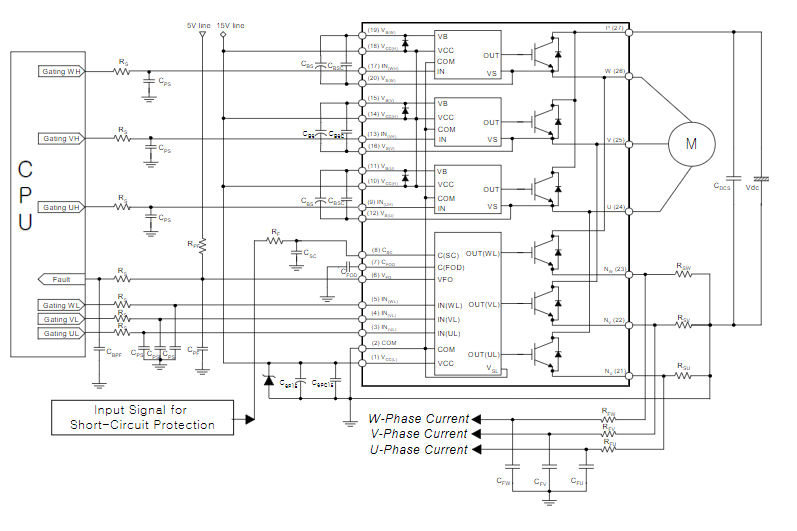
Sơ đồ ứng dụng IC công suất FSBB30CH60C

Giao hàng nhanh chóng
Miễn phí vận chuyển toàn QuốcSản phẩm chính hãng
Sản phẩm nhập khẩu 100%Hỗ Trợ Kỹ Thuật
Hỗ trợ kỹ thuật tất cả các sản phẩmMua hàng tiết kiệm
Tiết kiệm hơn từ 10% - 30%Hotline hỗ trợ mua hàng:
0367826588 (Zalo)