-
-
-
Tổng tiền thanh toán:
-
IC Công Suất FSBB10CH120DF FSBB10CH120 bóc máy.
Thương hiệu: Đang cập nhật
| Tình trạng:
Hết hàng
250.000₫
IC Công Suất FSBB10CH120DF FSBB10CH120 bóc máy.
- Sll có sẵn tại kho, Sẵn sàng phục vụ AE thợ
- Hàng chính hãng - chất lượng đảm bảo AE yên tâm thay thế !
- Giá cạnh tranh nhất thị trường !
- Ship Cod...
[Xem tiếp]
-
Mô tả
IC Công Suất FSBB10CH120DF FSBB10CH120 bóc máy.
- Sll có sẵn tại kho, Sẵn sàng phục vụ AE thợ
- Hàng chính hãng - chất lượng đảm bảo AE yên tâm thay thế !
- Giá cạnh tranh nhất thị trường !
- Ship Cod nhanh chóng toàn Quốc
FSBB10CH120DF Datasheet
Sơ đồ chân IC công suất FSBB10CH120DF

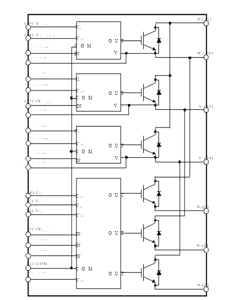
Sơ đồ chức năng khối IC công suất FSBB10CH120DF

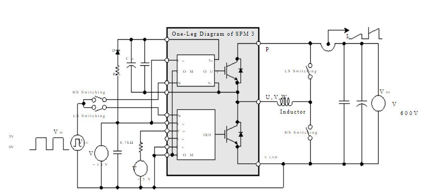
Sơ đồ ứng dụng IC công suất FSBB10CH120DF

———————————————
Linh Kiện Điện Lạnh 88
Rất mong được sự ủng hộ của ae <3 <3
#FSBB10CH120DF
Giao hàng nhanh chóng
Miễn phí vận chuyển toàn QuốcSản phẩm chính hãng
Sản phẩm nhập khẩu 100%Hỗ Trợ Kỹ Thuật
Hỗ trợ kỹ thuật tất cả các sản phẩmMua hàng tiết kiệm
Tiết kiệm hơn từ 10% - 30%Hotline hỗ trợ mua hàng:
0367826588 (Zalo)