-
-
-
Tổng tiền thanh toán:
-
IC Công Suất FSB50550AT Mới chính Hãng !
Thương hiệu: Đang cập nhật
| Tình trạng:
Còn hàng
210.000₫
IC Công Suất FSB50550AT Mới chính Hãng !
- Giá cạnh tranh nhất thị trường !
- Ship Cod nhanh chóng toàn Quốc
FSB50550AT Datasheet
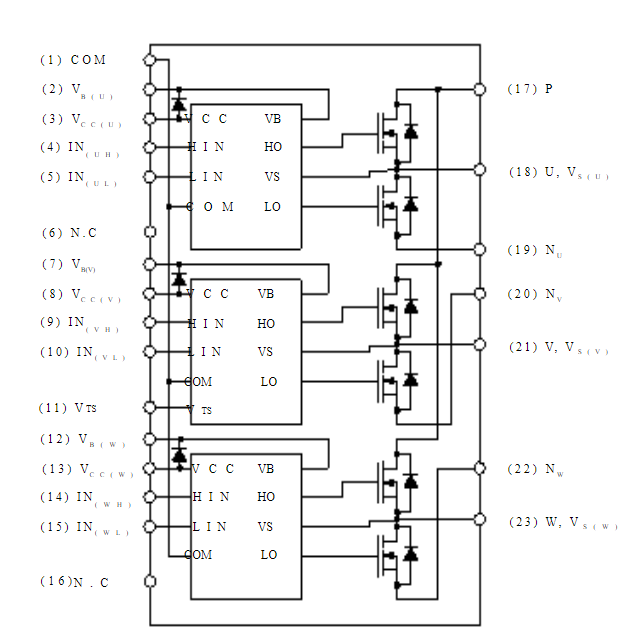
Sơ đồ chức năng khối IC công suất FSB50550AT
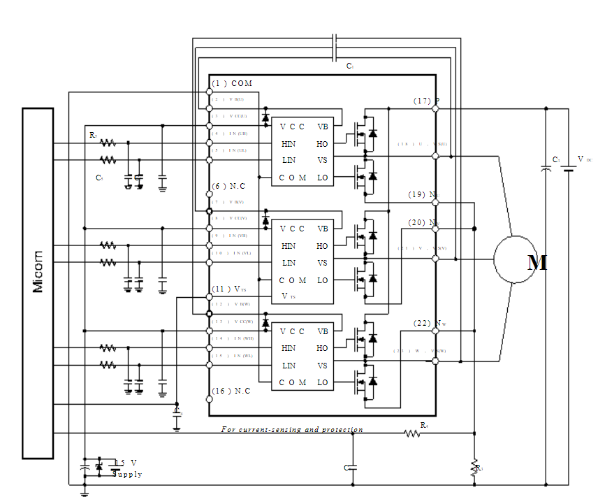
Sơ đồ ứng dụng IC công suất FSB50550AT
———————————————
Linh Kiện Điện Lạnh 88
Rất...
[Xem tiếp]
Gọi ngay 0367826588 để có được giá tốt nhất!
-
Mô tả
-
Tab tùy chỉnh
-
Đánh giá(APP)
IC Công Suất FSB50550AT Mới chính Hãng !
- Giá cạnh tranh nhất thị trường !
- Ship Cod nhanh chóng toàn Quốc
FSB50550AT Datasheet
Sơ đồ chức năng khối IC công suất FSB50550AT

Sơ đồ ứng dụng IC công suất FSB50550AT

———————————————
Linh Kiện Điện Lạnh 88
Rất mong được sự ủng hộ của ae <3 <3
#FSB50550AT
Nội dung tùy chỉnh viết ở đây
Giao hàng nhanh chóng
Chỉ trong vòng 24h đồng hồSản phẩm chính hãng
Sản phẩm nhập khẩu 100%Đổi trả cực kì dễ dàng
Đổi trả trong 2 ngày đầu tiênMua hàng tiết kiệm
Tiết kiệm hơn từ 10% - 30%Hotline mua hàng:
0367826588