-
-
-
Tổng tiền thanh toán:
-
IC Công Suất FNB51060TD1 bóc máy đã test trên bo
Thương hiệu: Đang cập nhật
| Tình trạng:
Còn hàng
230.000₫
IC Công Suất FNB51060TD1 bóc máy đã test trên bo
- Sll có sẵn tại kho, Sẵn sàng phục vụ AE thợ
- Hàng chính hãng - chất lượng đảm bảo AE yên tâm thay thế !
- Giá cạnh tranh nhất thị...
[Xem tiếp]
Gọi ngay 0367826588 để có được giá tốt nhất!
-
Mô tả
-
Tab tùy chỉnh
-
Đánh giá(APP)
IC Công Suất FNB51060TD1 bóc máy đã test trên bo
- Sll có sẵn tại kho, Sẵn sàng phục vụ AE thợ
- Hàng chính hãng - chất lượng đảm bảo AE yên tâm thay thế !
- Giá cạnh tranh nhất thị trường !
- Ship Cod nhanh chóng toàn Quốc
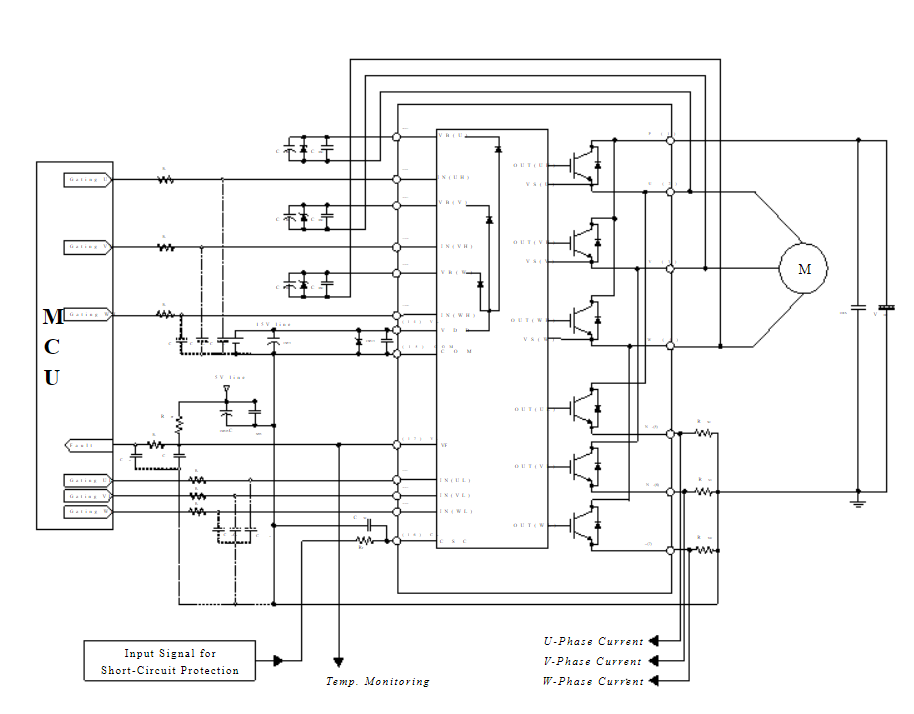
FNB51060TD1 Datasheet
Sơ đồ chân IC công suất FNB51060TD1

Sơ đồ cấu tạo IC công suất FNB51060TD1

Sơ đò ứng dụng IC công suất FNB51060TD1

———————————————
Linh Kiện Điện Lạnh 88
Rất mong được sự ủng hộ của ae <3 <3
#FNB51060TD1
Nội dung tùy chỉnh viết ở đây
Giao hàng nhanh chóng
Chỉ trong vòng 24h đồng hồSản phẩm chính hãng
Sản phẩm nhập khẩu 100%Đổi trả cực kì dễ dàng
Đổi trả trong 2 ngày đầu tiênMua hàng tiết kiệm
Tiết kiệm hơn từ 10% - 30%Hotline mua hàng:
0367826588