-
-
-
Tổng tiền thanh toán:
-
6ED003L06-F 6ED003L06 Infineon Mới, Chính Hãng 100%.
Thương hiệu: Đang cập nhật
| Tình trạng:
Còn hàng
50.000₫
6ED003L06-F 6ED003L06 Infineon Mới, Chính Hãng 100%.
Hàng chất lượng anh em yên tâm 100%
Linh kiện Điện Lạnh 88 chuyên cung cấp linh kiện ngành lạnh:
- Hàng chính hãng, đảm bảo chất lượng
- Giá cả cạnh tranh thị trường
- Số lượng lớn có...
[Xem tiếp]
-
Mô tả
6ED003L06-F 6ED003L06 Infineon Mới, Chính Hãng 100%.
Hàng chất lượng anh em yên tâm 100%
Linh kiện Điện Lạnh 88 chuyên cung cấp linh kiện ngành lạnh:
- Hàng chính hãng, đảm bảo chất lượng
- Giá cả cạnh tranh thị trường
- Số lượng lớn có sẵn tại kho
- Ship cod nhanh chóng
Shop Linh Kiện Điện Lạnh 88 Rất Mong Được Sự Ủng Hộ Của AE
#6ED003L06-F
#6ED003L06
6ED003L06-F Datasheet
Sơ đồ chân IC 6ED003L06-F


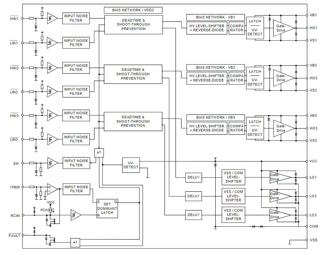
Sơ đồ chức năng khối IC 6ED003L06-F

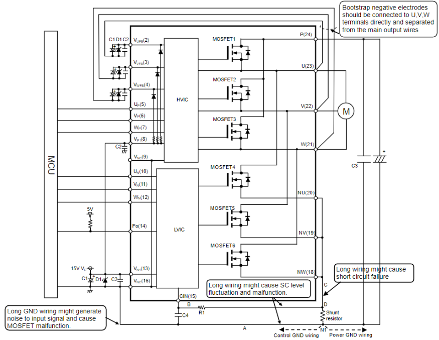
Sơ đồ ứng dụng IC 6ED003L06-F

Giao hàng nhanh chóng
Miễn phí vận chuyển toàn QuốcSản phẩm chính hãng
Sản phẩm nhập khẩu 100%Hỗ Trợ Kỹ Thuật
Hỗ trợ kỹ thuật tất cả các sản phẩmMua hàng tiết kiệm
Tiết kiệm hơn từ 10% - 30%Hotline hỗ trợ mua hàng:
0367826588 (Zalo)